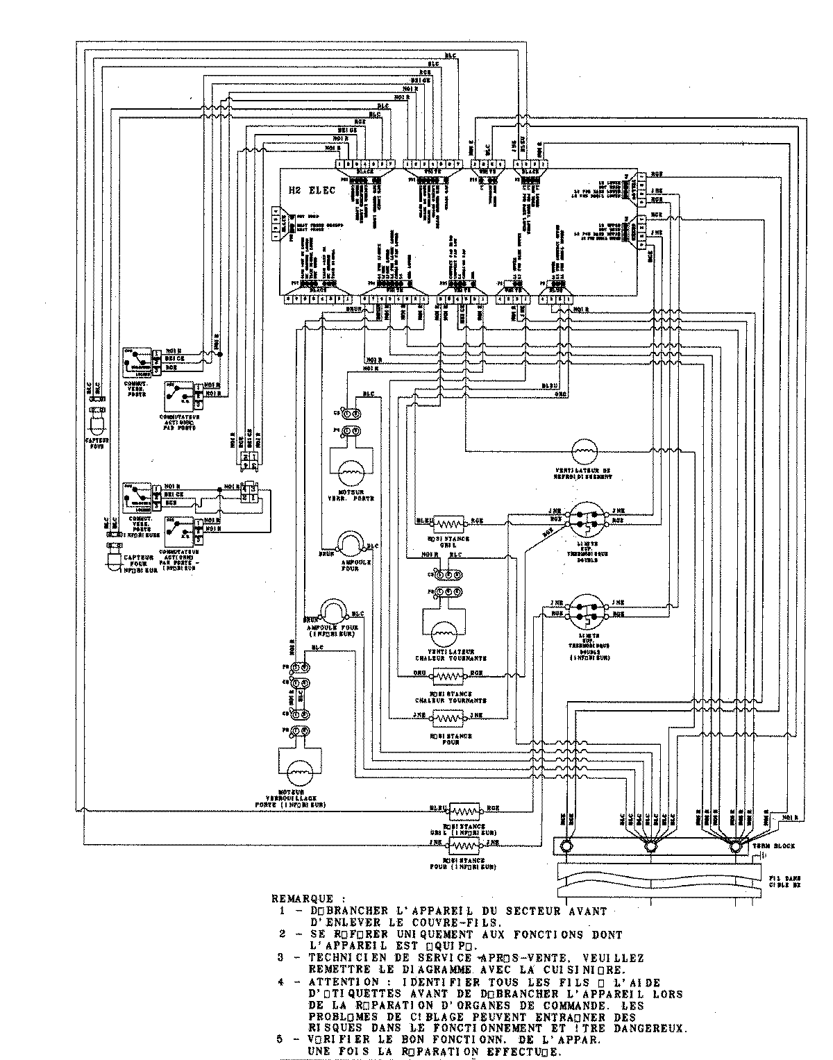
AEW3630DDB 07 – WIRING INFORMATIONadmin2025-04-26T09:20:42+00:00AEW3630DDB 07 – WIRING INFORMATION ProductsPositionProductNIMAY 15003245