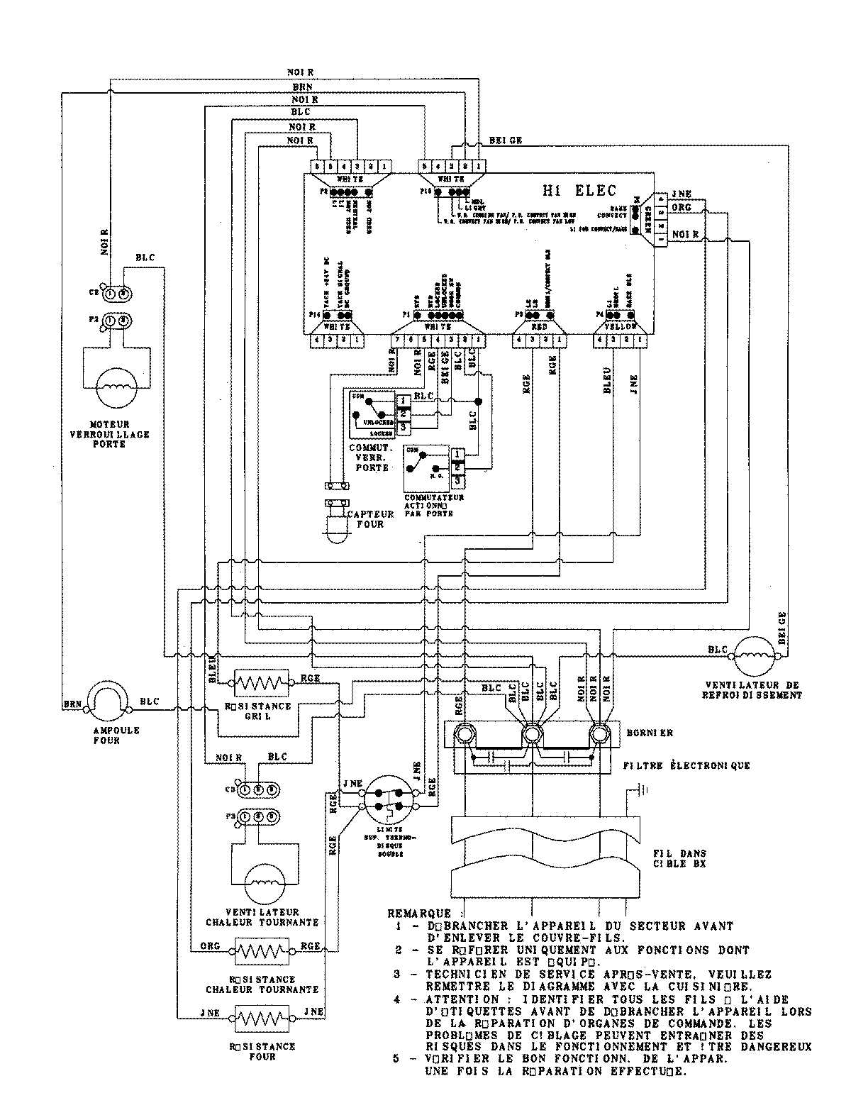
AEW4530DDB 07 – WIRING INFORMATIONadmin2025-04-26T09:21:12+00:00AEW4530DDB 07 – WIRING INFORMATION ProductsPositionProductNIMAY 15003253