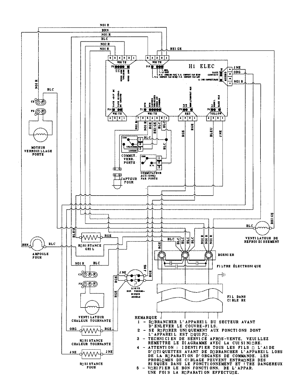
AEW4530DDQ 07 – WIRING INFORMATION

AEW4530DDQ 07 – WIRING INFORMATION

Products

PositionProduct
NIMAY 15003253