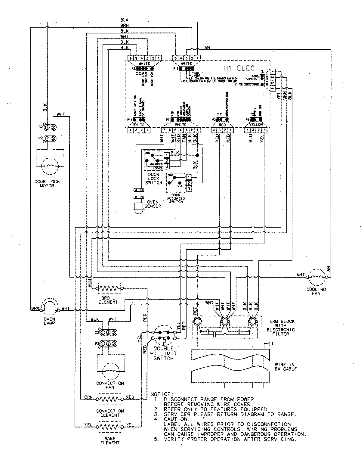
AEW4530DDS 06 – WIRING INFORMATIONadmin2025-04-26T09:20:55+00:00AEW4530DDS 06 – WIRING INFORMATION ProductsPositionProductNIMAY 15003252