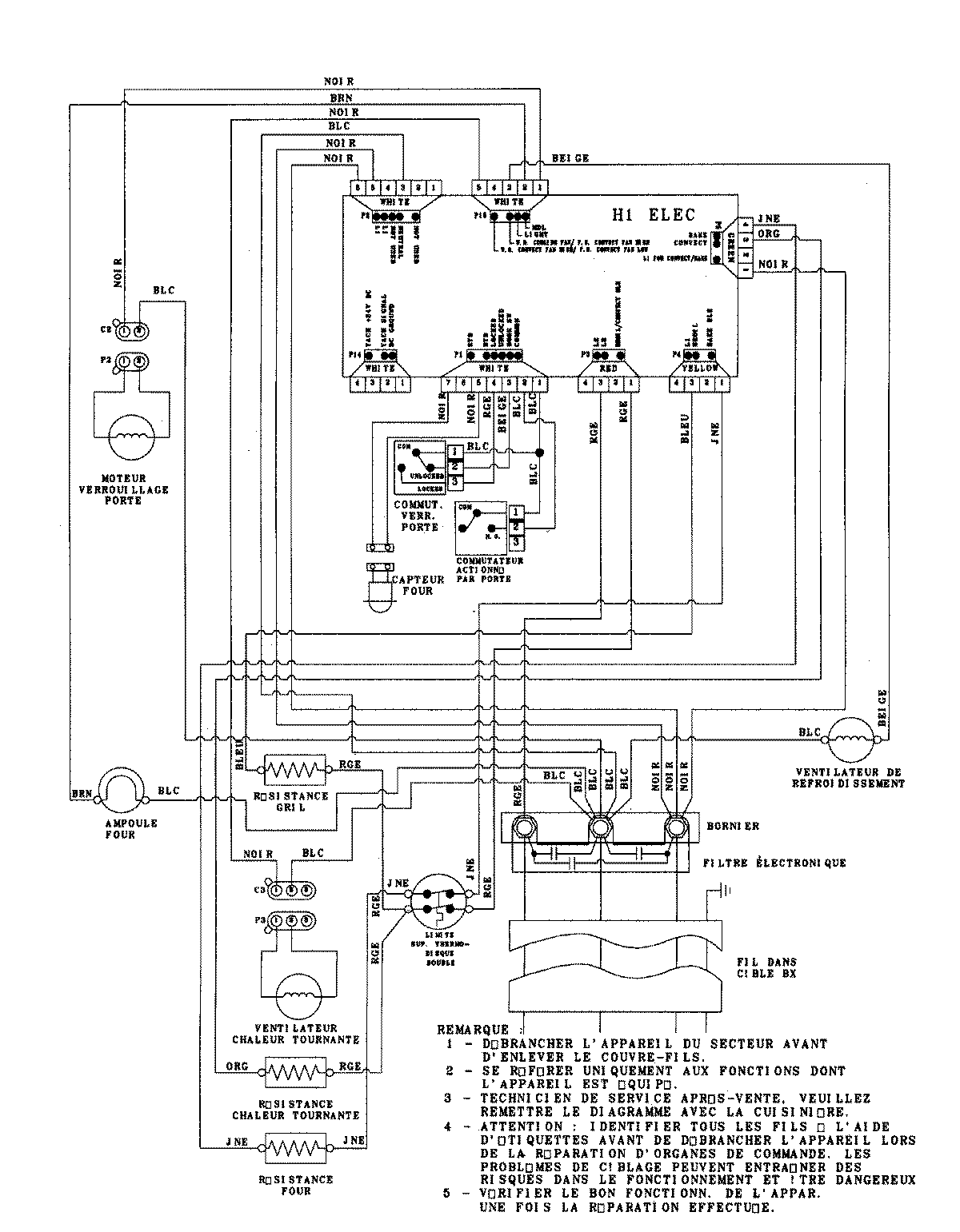
AEW4530DDS 07 – WIRING INFORMATIONadmin2025-04-26T09:20:27+00:00AEW4530DDS 07 – WIRING INFORMATION ProductsPositionProductNIMAY 15003253