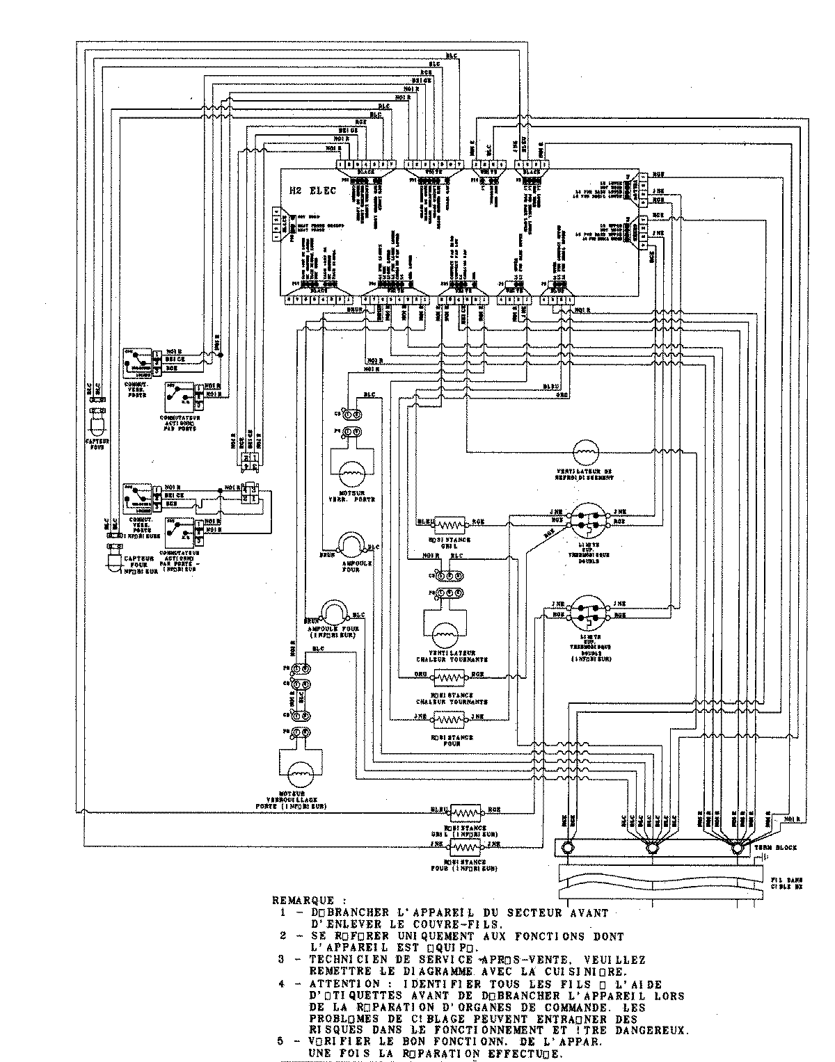
AEW4630DDB 07 – WIRING INFORMATIONadmin2025-04-26T09:21:02+00:00AEW4630DDB 07 – WIRING INFORMATION ProductsPositionProductNIMAY 15003245