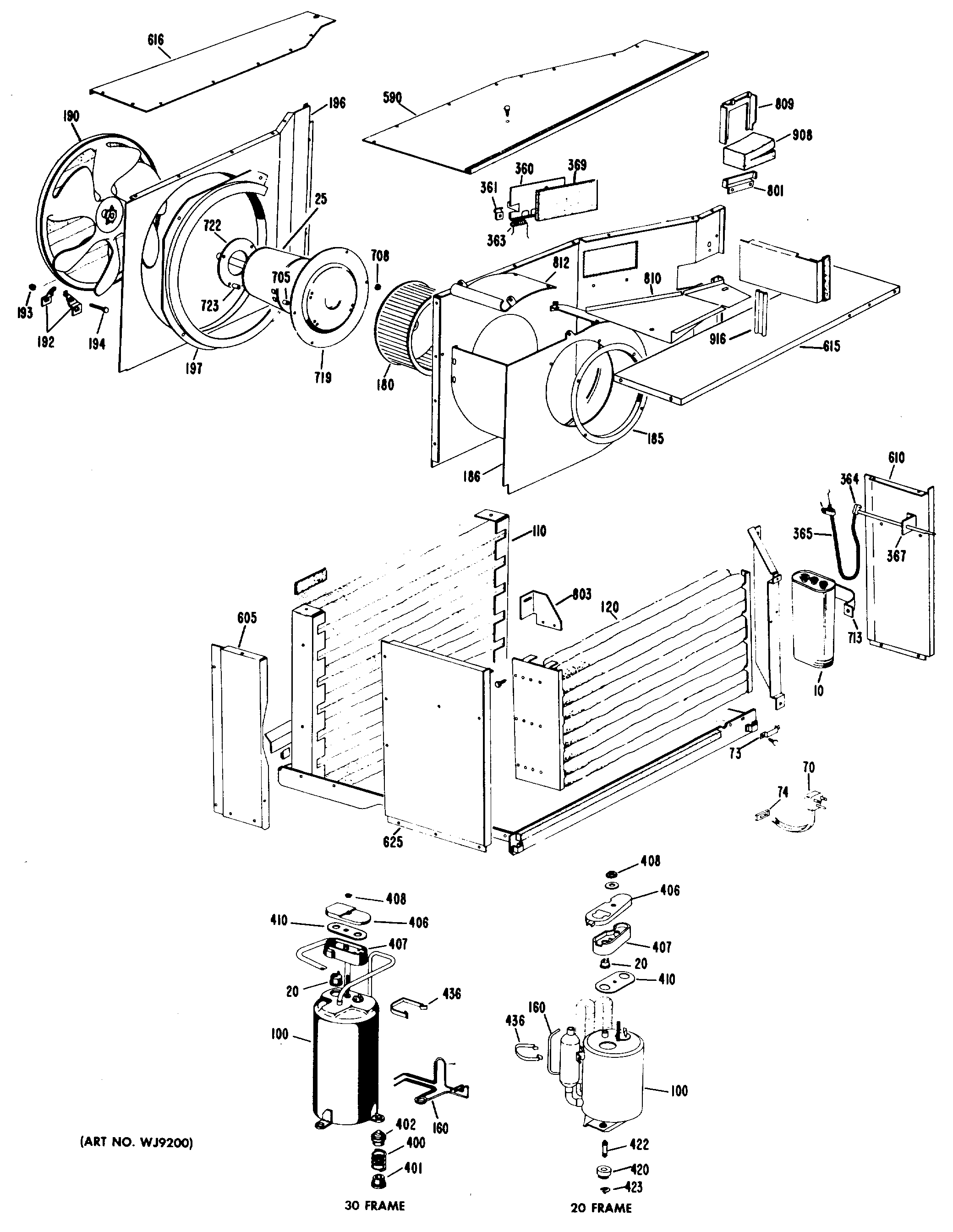
AF108FMP1 1admin2025-04-26T08:49:16+00:00AF108FMP1 1 ProductsPositionProduct32767GEN WJ88X012832767ADD CAPACITOR IF REQD32767GEN WJ20X032632767GEN WJ98X0416