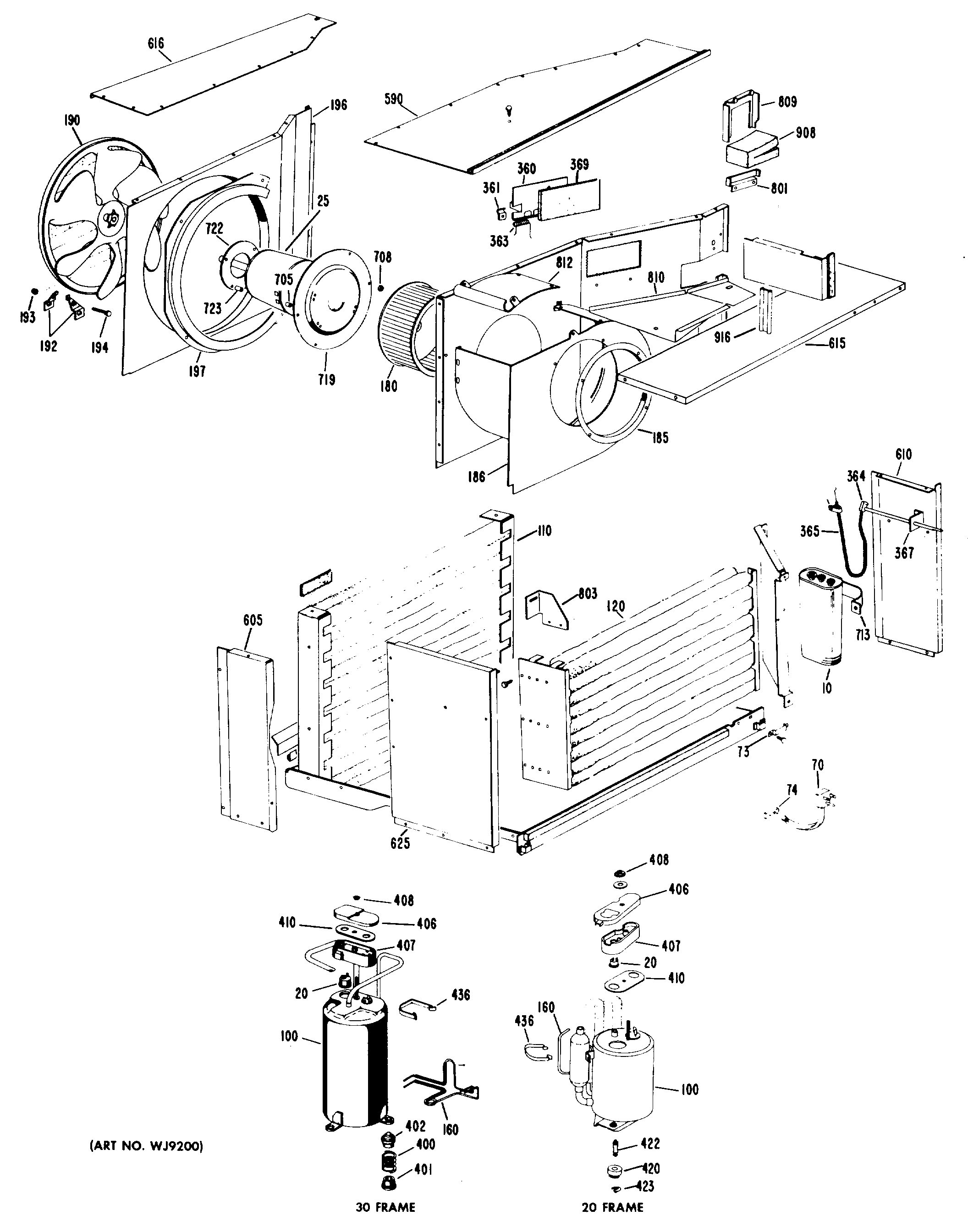
AF112DMW1 1admin2025-04-26T08:49:26+00:00AF112DMW1 1 ProductsPositionProduct10CAPACITOR, FAN/RUN20GEN WJ23X008825GEN WJ94X051370GEN WJ35X010273CLAMP POWER CORD74GROMMET CORD POWER100GEN WJ98X0463110GEN WJ88X0128120GEN WJ87X0197160CAPILLARY .049 CUT-25"160CAPILLARY .036 CUT TO 14180INDOOR BLOWER186GEN WJ76X0231190GEN WJ73X0043196GEN WJ76X0236197BAFFLE360GEN WJ70X0283360GEN WJ70X0166361DAMPER DOOR HINGE CLAMP363GEN WJ02X0397364GEN WJ14X0096365GEN WJ14X0095406TERMINAL CAP407TERMINAL COVER408GEN WJ01X0292410GEN WJ43X0333420GEN WJ01X0609422GEN WJ01X0608423GEN WJ02X0360436ACCUMULATOR CLAMP590GEN WJ79X0232610GEN WJ81X0065615GEN WJ79X0348616GEN WJ79X0286625GEN WJ82X0065708GEN WJ01X0445713GEN WJ03X0294801PLATE809TUBE SEAL CLAMP810COVER EVAPORATOR916SPACER