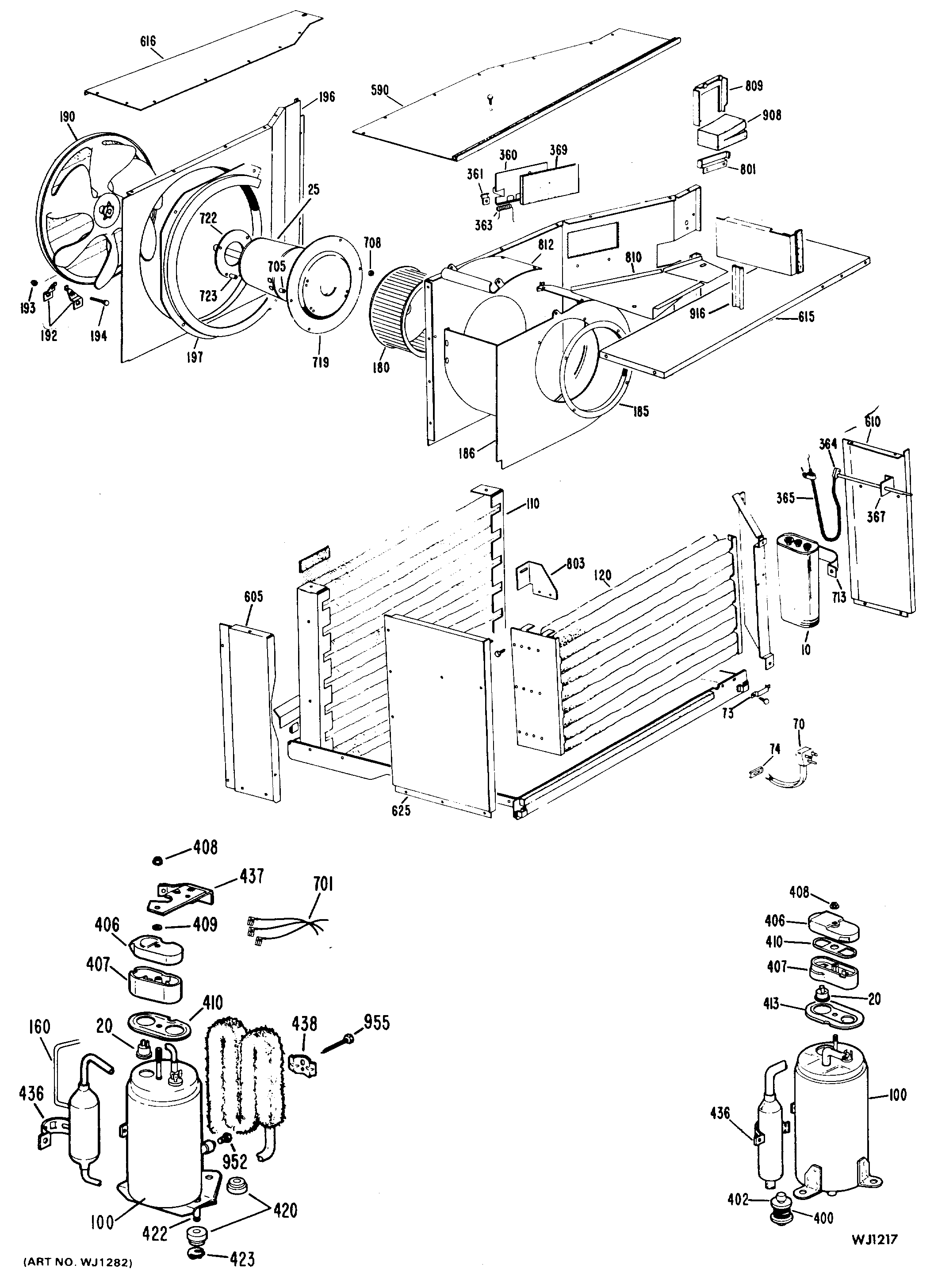
AF615DPE1 1