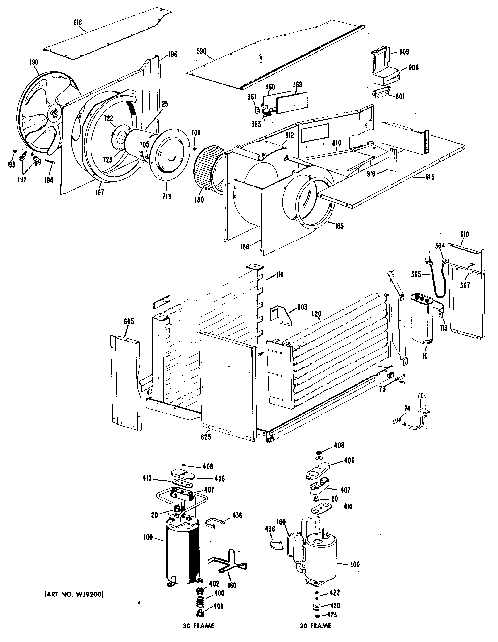
AF910MBT1 2admin2025-04-26T08:49:22+00:00AF910MBT1 2 ProductsPositionProduct10GEN WJ20X040320GEN WJ23X019825GEN WJ94X051370GEN WJ35X010673CLAMP POWER CORD74GROMMET CORD POWER100GEN WJ98X0508110GEN WJ88X0180120GEN WJ87X0197160CAPILLARY.045 ID X 18.5"160CAPILLARY .031 CUT TO 25180GEN WJ74X0096185GEN WJ76X0220186GEN WJ76X0240190GEN WJ73X0043192GEN WJ03X0215193FAN NUT194FAN SCREW196GEN WJ76X0236197BAFFLE360GEN WJ70X0283360GEN WJ70X0166361DAMPER DOOR HINGE CLAMP363GEN WJ02X0397364GEN WJ14X0096365GEN WJ14X0095406TERMINAL CAP407TERMINAL COVER408GEN WJ01X0292410GEN WJ43X0333420GEN WJ01X0609422GEN WJ01X0608423GEN WJ02X0360436ACCUMULATOR CLAMP590GEN WJ79X0232610GEN WJ81X0065615GEN WJ79X0348616GEN WJ79X0367625GEN WJ82X0065708GEN WJ01X0445713GEN WJ03X0294801PLATE809TUBE SEAL CLAMP810COVER EVAPORATOR812GEN WJ76X0216916SPACER