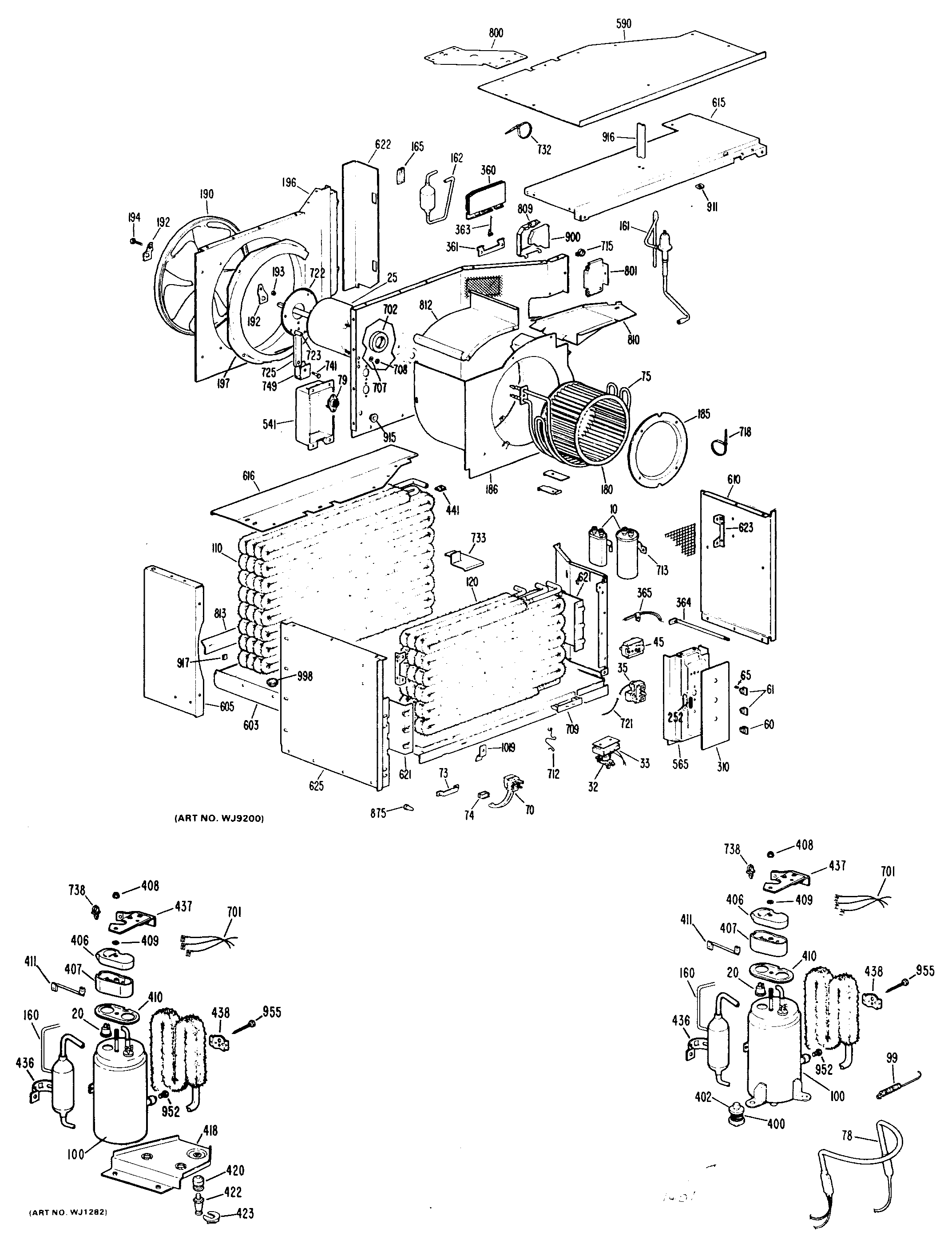
AF910MST1 2