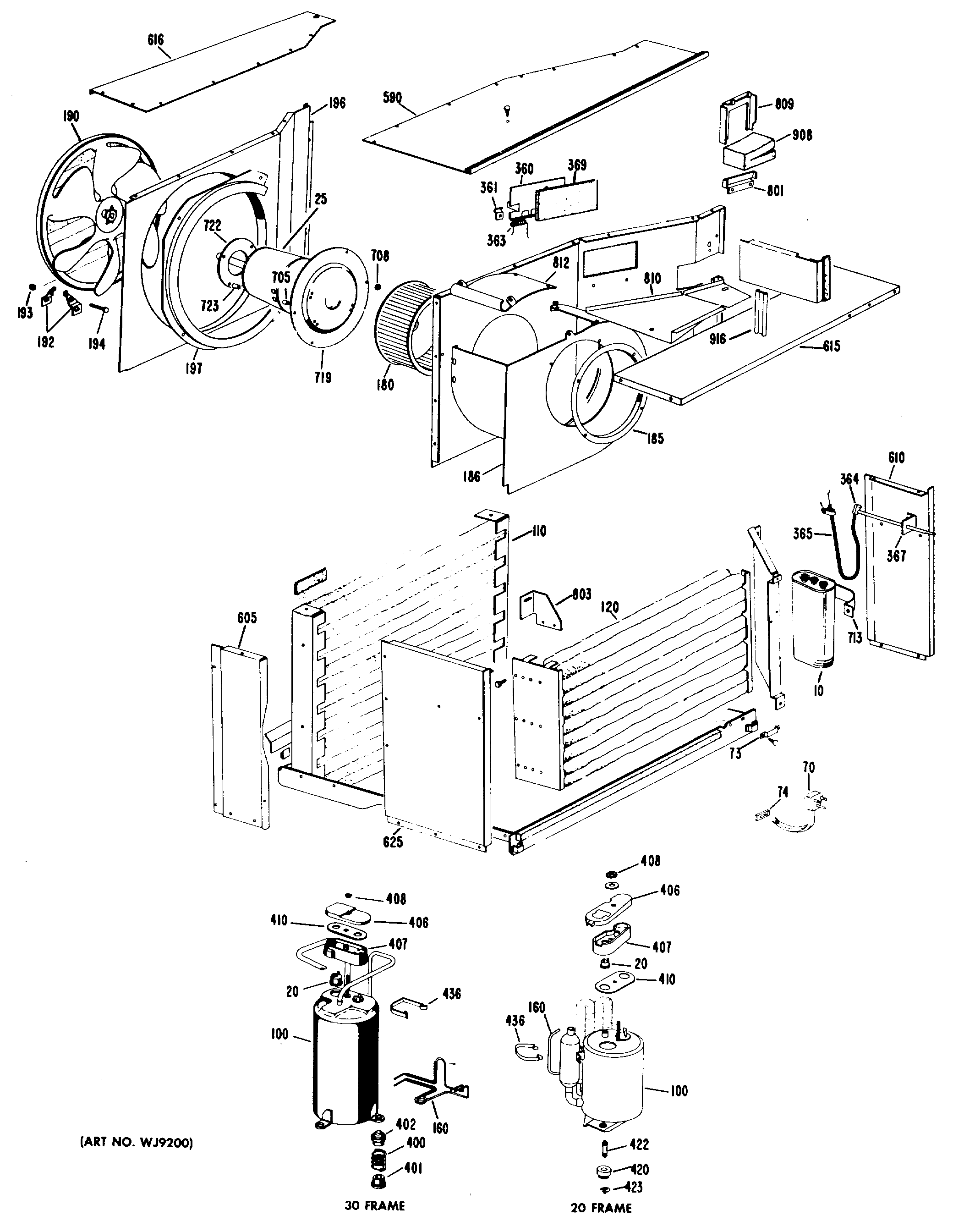
AF912AMW4 1admin2025-04-26T08:49:30+00:00AF912AMW4 1 ProductsPositionProduct32767ADD CAPACITOR IF REQD32767GEN WJ88X018032767GEN WJ20X032532767GEN WJ98X0375