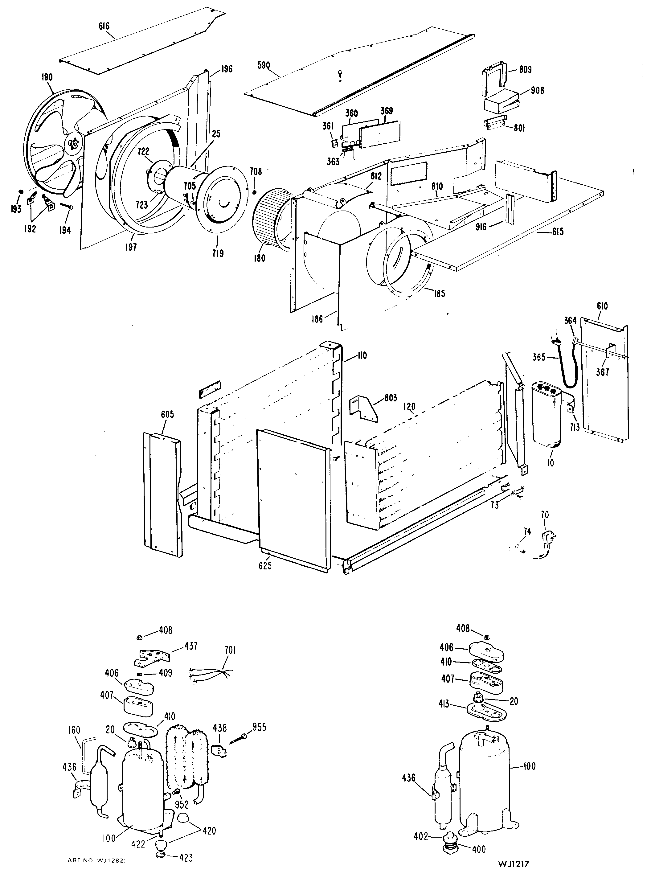
AF913WSD1 1admin2025-04-26T08:49:16+00:00AF913WSD1 1 ProductsPositionProduct25GEN WJ94X052070GEN WJ35X010673CLAMP POWER CORD74GROMMET CORD POWER160CAPILLARY .042 CUT TO 15160CAPILLARY .049 CUT-25"180GEN WJ74X0091185INDOOR ORIFICE186GEN WJ76X0231192GEN WJ03X0215193FAN NUT194FAN SCREW196GEN WJ76X0236197GEN WJ70X0126360GEN WJ70X0166360GEN WJ70X0283361DAMPER DOOR HINGE CLAMP363GEN WJ02X0397364GEN WJ14X0096365GEN WJ14X0095400GEN WJ02X0258400GEN WJ02X0257400GEN WJ02X0259402GEN WJ01X0347406GEN WJ79X0302407GEN WJ79X0301408GEN WJ01X0292410GEN WJ43X0333413GEN WJ43X0345436ACCUMULATOR CLAMP437GEN WJ66X0426438GEN WJ03X0143590GEN WJ79X0232610GEN WJ82X0142615GEN WJ79X0348616GEN WJ79X0374625GEN WJ82X0144701GEN WJ36X0016708GEN WJ01X0445713GEN WJ03X0279713GEN WJ03X0317801PLATE809TUBE SEAL CLAMP810COVER EVAPORATOR916SPACER952SCREW 10-16 X 5/8" HEX955GEN WZ04X0268