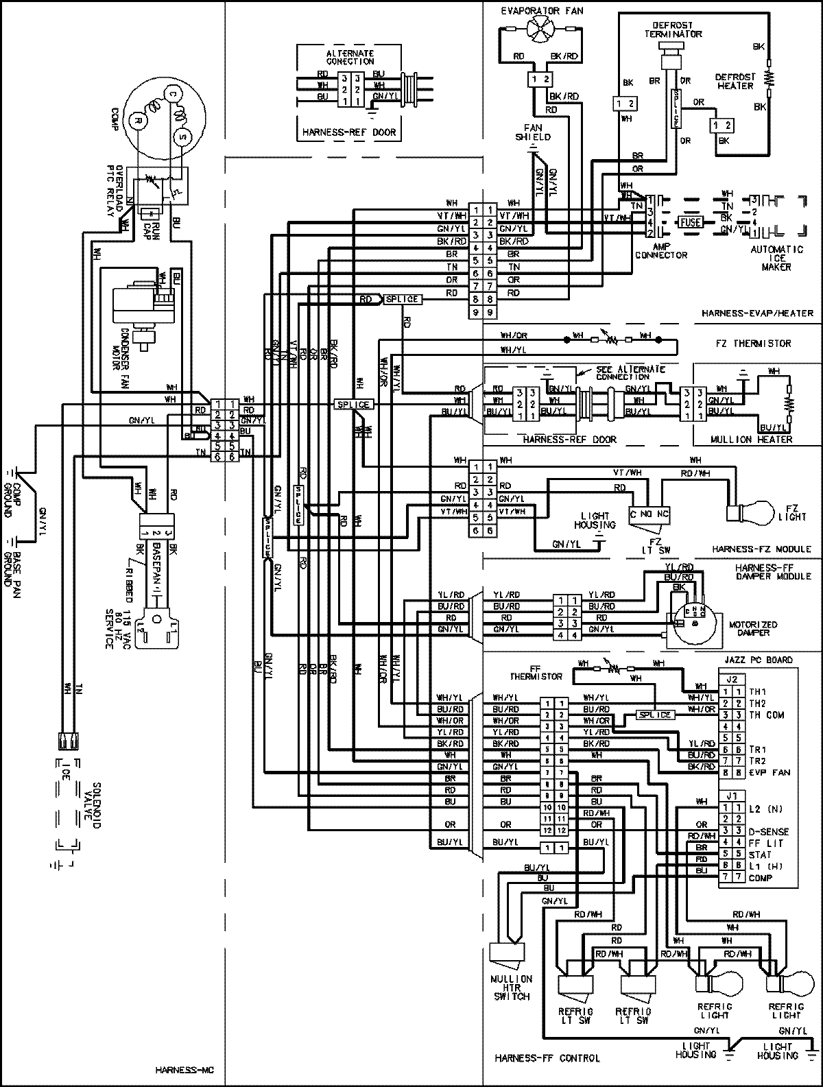
AFB2534DEQ 15 – WIRING INFORMATIONadmin2025-04-26T09:20:03+00:00AFB2534DEQ 15 – WIRING INFORMATION ProductsPositionProductNIMAY 15003658