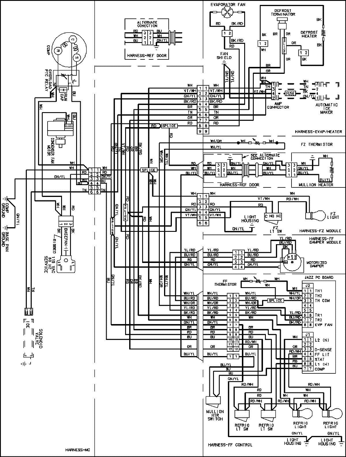
AFB2534DES 15 – WIRING INFORMATIONadmin2025-04-26T09:21:45+00:00AFB2534DES 15 – WIRING INFORMATION ProductsPositionProductNIMAY 15003658