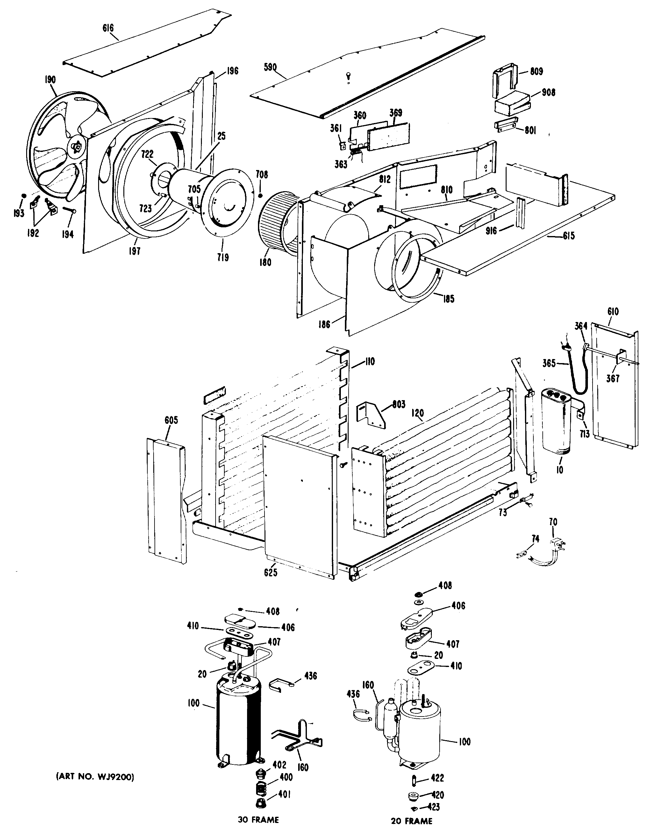
AFC12DBW1 1admin2025-04-26T08:48:54+00:00AFC12DBW1 1 ProductsPositionProduct32767CAPACITOR, FAN/RUN32767GEN WJ88X012832767GEN WJ98X0463