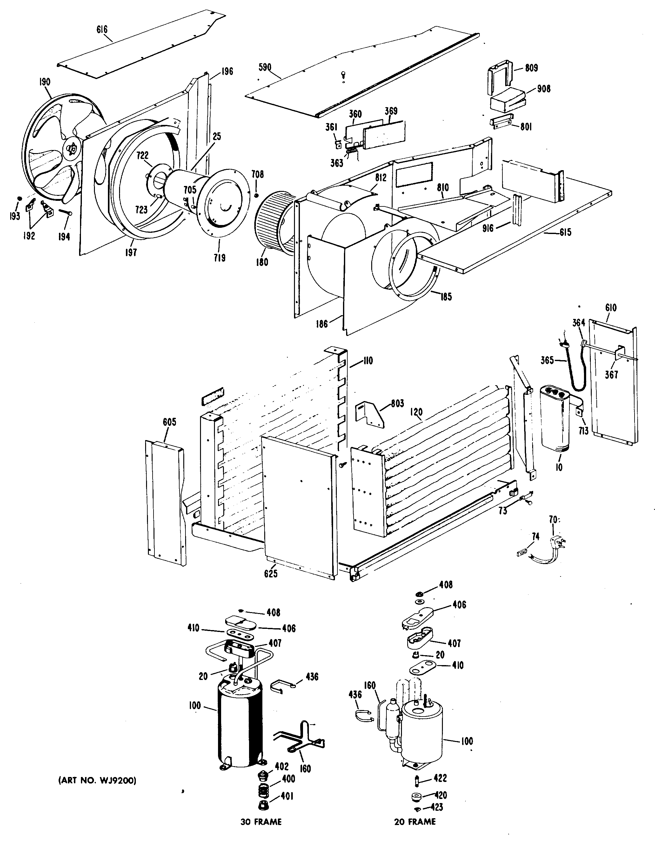
AFC12DPW1 1