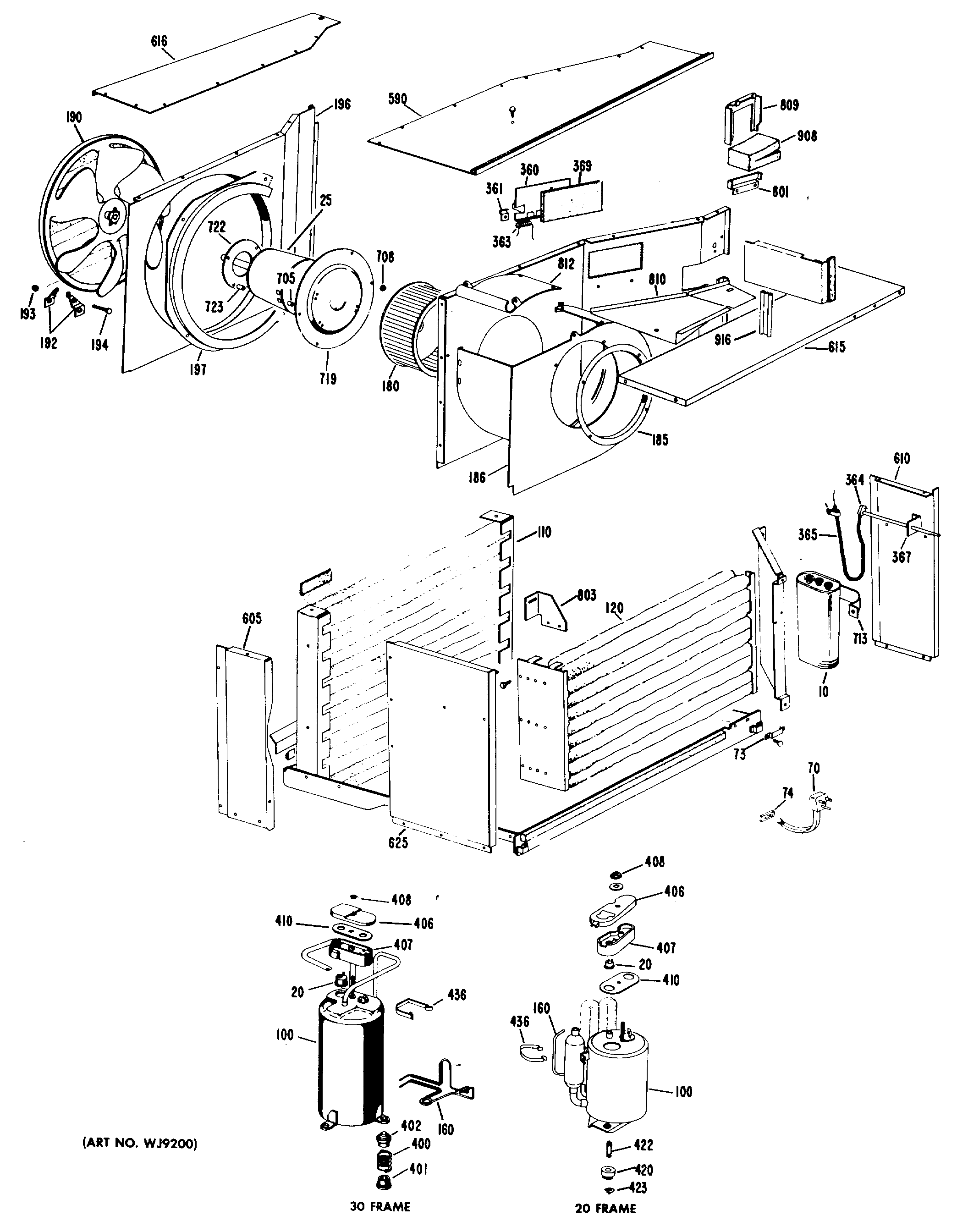
AFC15DME1 1admin2025-04-26T08:49:06+00:00AFC15DME1 1 ProductsPositionProduct25GEN WJ94X051370GEN WJ35X010273CLAMP POWER CORD74GROMMET CORD POWER160CAPILLARY .031 CUT TO 25160CAPILLARY .054 CUT TO 16160CAPILLARY .042 CUT TO 15180INDOOR BLOWER186GEN WJ76X0231192GEN WJ03X0215193FAN NUT194FAN SCREW196GEN WJ76X0236197BAFFLE360GEN WJ70X0166360GEN WJ70X0283361DAMPER DOOR HINGE CLAMP363GEN WJ02X0397364GEN WJ14X0096365GEN WJ14X0095400GEN WJ02X0257400GEN WJ02X0258400GEN WJ02X0259401GEN WJ01X0348402GEN WJ01X0347406GEN WJ79X0302407GEN WJ79X0301408GEN WJ01X0292410GEN WJ43X0333436ACCUMULATOR CLAMP590GEN WJ79X0232615GEN WJ79X0348616GEN WJ79X0286708GEN WJ01X0445713GEN WJ03X0294801PLATE809TUBE SEAL CLAMP810COVER EVAPORATOR916SPACER