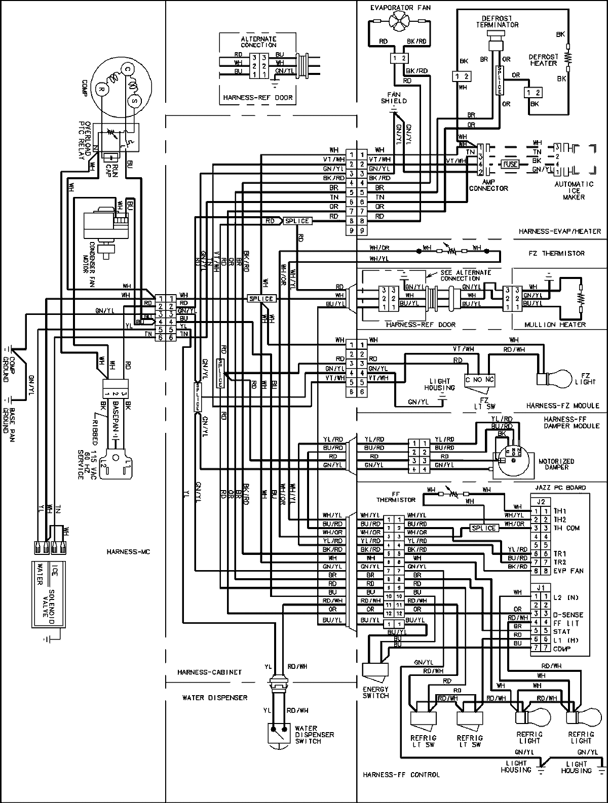
AFD2535DEW 16 – WIRING INFORMATION

AFD2535DEW 16 – WIRING INFORMATION

Products

PositionProduct
NIMAY 15003556