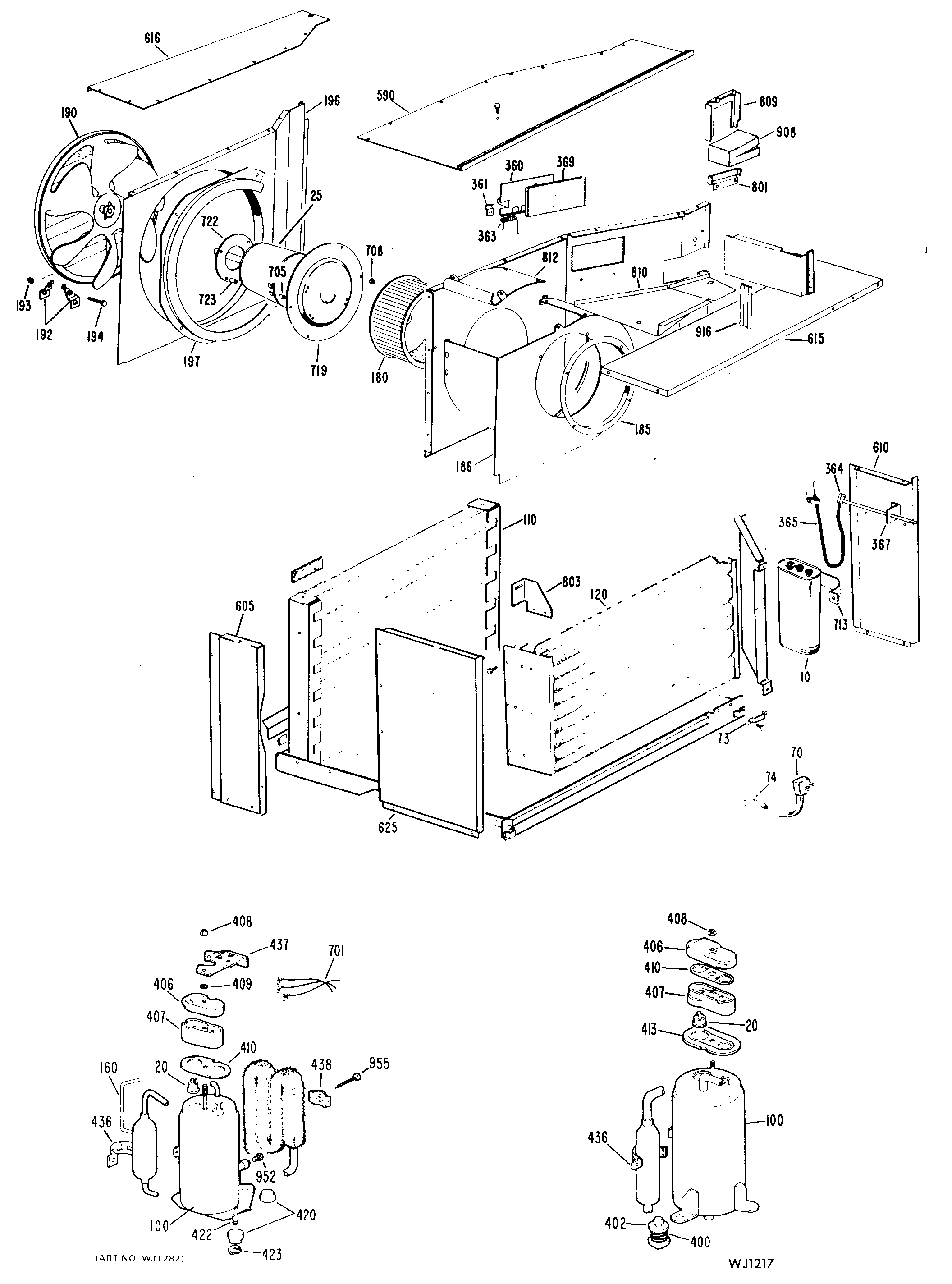
AFE12D3W1 1admin2025-04-26T08:49:12+00:00AFE12D3W1 1 ProductsPositionProduct20GEN WJ23X008825GEN WJ94X051370GEN WJ35X009273CLAMP POWER CORD74GEN WJ01X0361160CAPILLARY .039 CUT TO 15160CAPILLARY .049 CUT-25"180GEN WJ74X0083185GEN WJ76X0220186GEN WJ76X0218192GEN WJ03X0215193FAN NUT194FAN SCREW196GEN WJ76X0236197BAFFLE360GEN WJ70X0283360GEN WJ70X0166361DAMPER DOOR HINGE CLAMP363GEN WJ02X0397364GEN WJ14X0096365GEN WJ14X0095406TERMINAL CAP408GEN WJ01X0292410GEN WJ43X0333420GEN WJ01X0609422GEN WJ01X0608423GEN WJ02X0360436ACCUMULATOR CLAMP437GEN WJ66X0426438GEN WJ03X0143590GEN WJ79X0232610GEN WJ82X0142615GEN WJ79X0348616GEN WJ79X0374625GEN WJ82X0144701GEN WJ36X0016708GEN WJ01X0445713GEN WJ03X0279713GEN WJ03X0313801PLATE809TUBE SEAL CLAMP810COVER EVAPORATOR812GEN WJ76X0216916SPACER952SCREW 10-16 X 5/8" HEX955GEN WZ04X0268