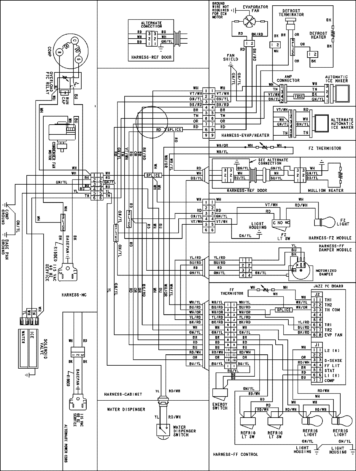
AFF2534FEB 15 – WIRING INFORMATIONadmin2025-04-26T09:24:16+00:00AFF2534FEB 15 – WIRING INFORMATION ProductsPositionProductNIMAY 15003922