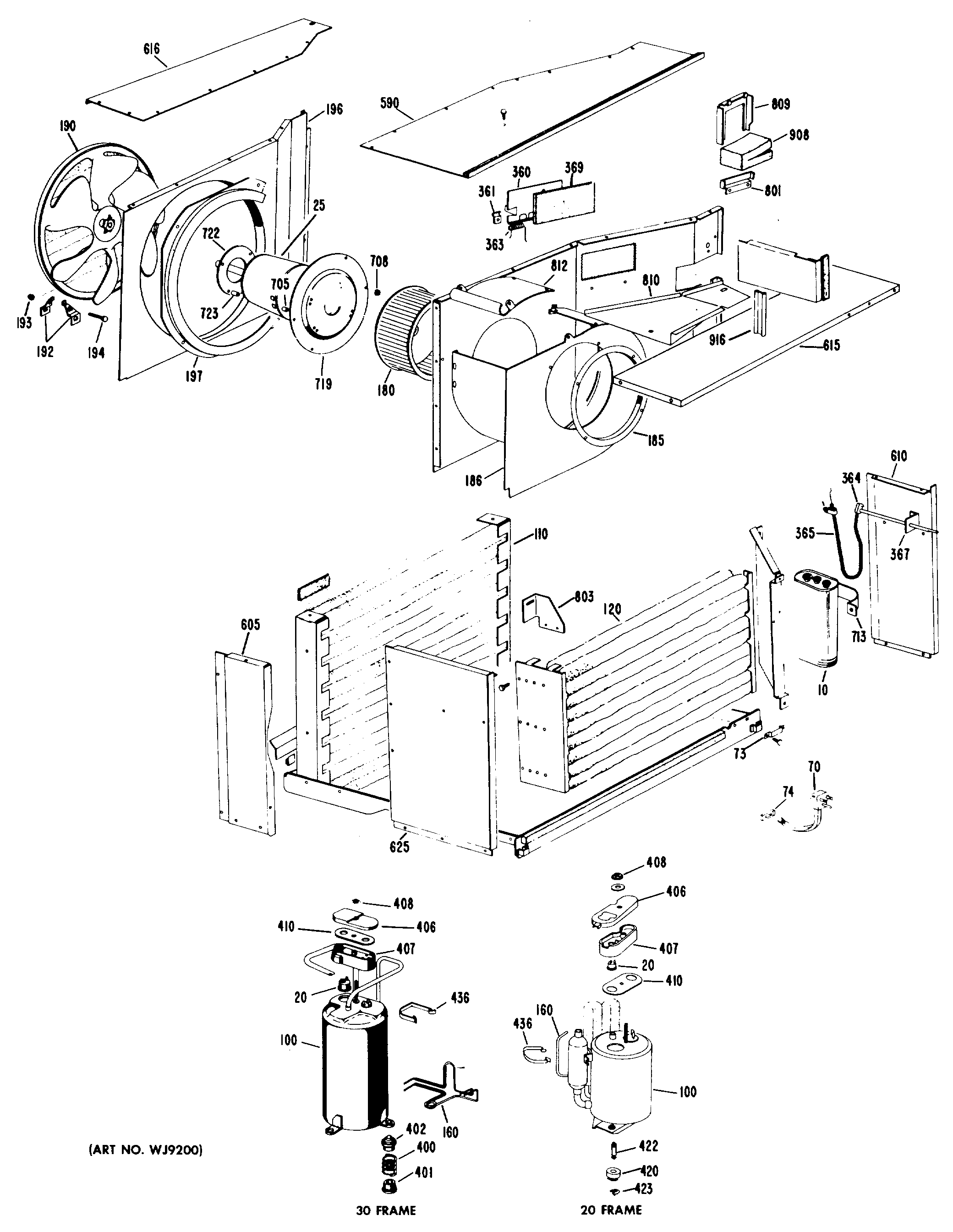
AFH12D1W1 1