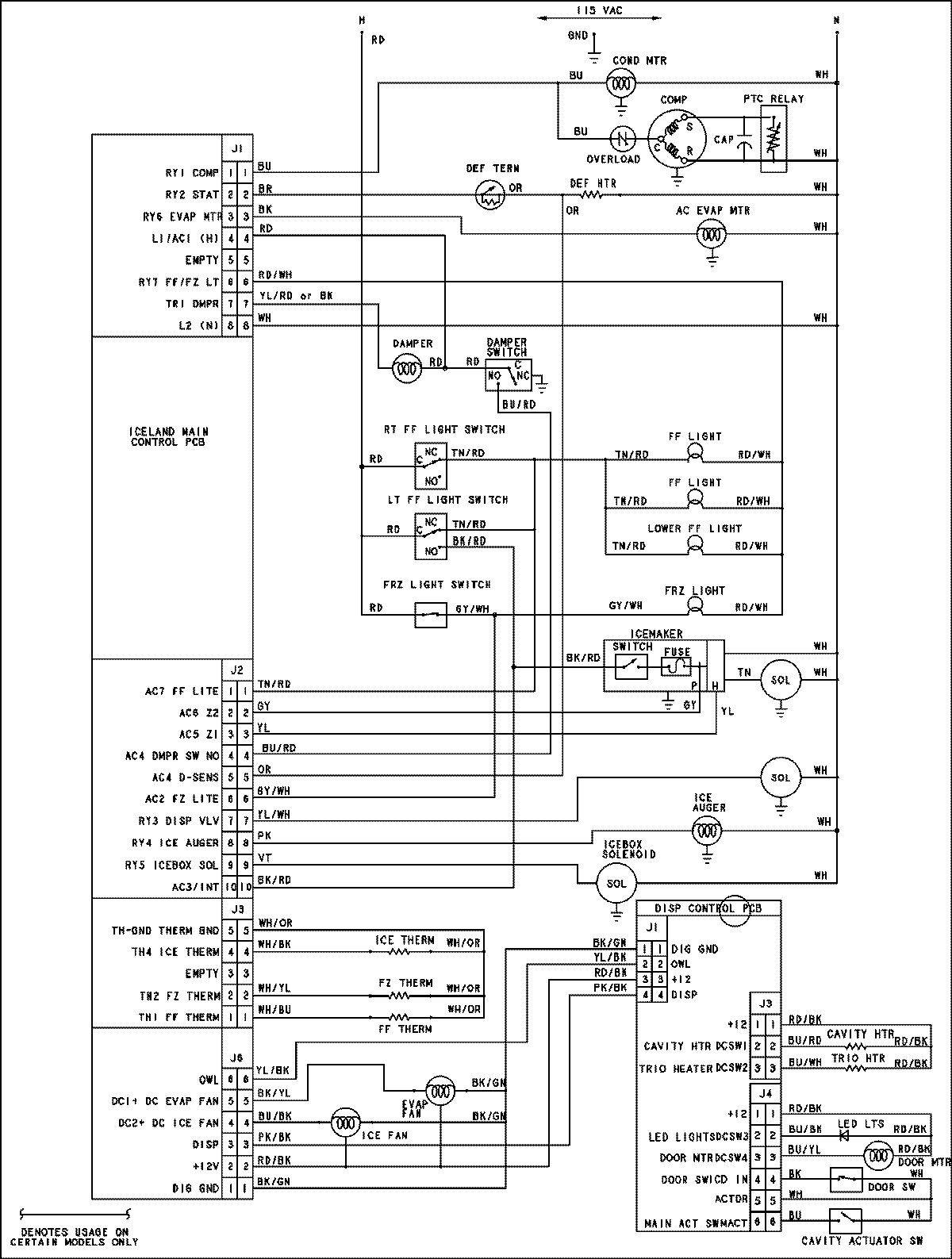
AFI2538AES 16 – WIRING INFORMATIONadmin2025-04-26T09:22:51+00:00AFI2538AES 16 – WIRING INFORMATION ProductsPositionProductNIMAY 15003955