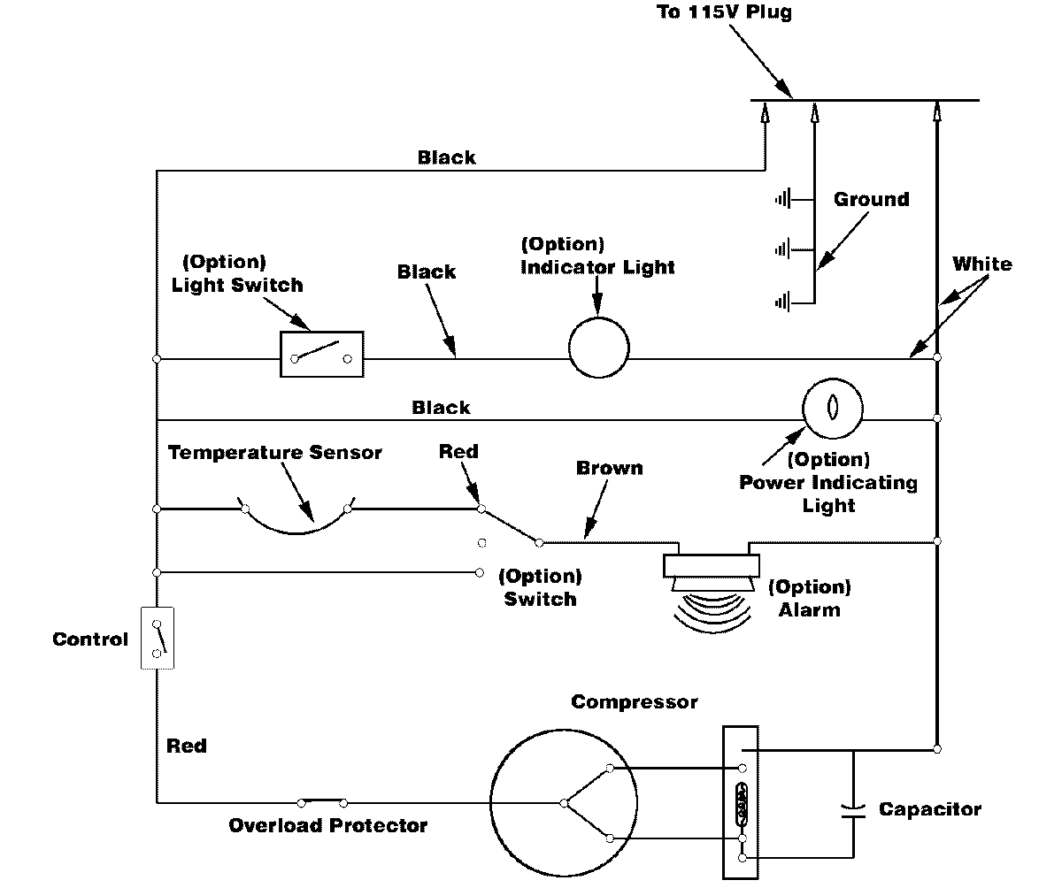
AFU1705BW 05 – WIRING INFORMATIONadmin2025-04-26T09:26:01+00:00AFU1705BW 05 – WIRING INFORMATION ProductsPositionProductNIMAY 15003319