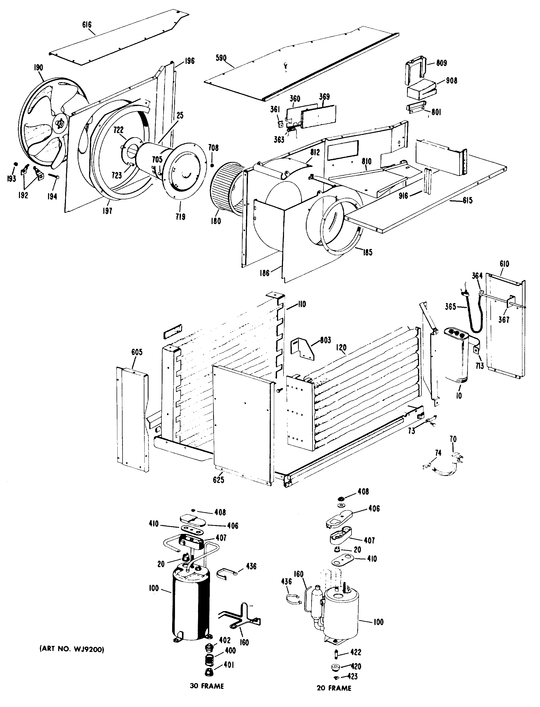
AGDM718DACG2 1admin2025-04-26T08:49:42+00:00AGDM718DACG2 1 ProductsPositionProduct10CAPACITOR FAN10GEN WJ20X031920GEN WJ23X018025GEN WJ94X051370GEN WJ35X009273CLAMP POWER CORD74GROMMET CORD POWER100GEN WJ98X0292110GEN WJ88X0083120GEN WJ87X0200160CAPILLARY .054 CUT TO 16160CAPILLARY .042 CUT TO 15160CAPILLARY .036 CUT TO 14180GEN WJ74X0092185INDOOR ORIFICE186GEN WJ76X0219190GEN WJ73X0043192GEN WJ03X0215193FAN NUT194FAN SCREW196GEN WJ76X0236197BAFFLE360GEN WJ70X0283360GEN WJ70X0166361DAMPER DOOR HINGE CLAMP363GEN WJ02X0397364GEN WJ14X0097365GEN WJ14X0095400GEN WJ02X0259400GEN WJ02X0258400GEN WJ02X0257401GEN WJ01X0348402GEN WJ01X0347406GEN WJ79X0302407GEN WJ79X0301408GEN WJ01X0292410GEN WJ43X0333436ACCUMULATOR CLAMP590COVER ASM610GEN WJ81X0064615GEN WJ79X0347616GEN WJ79X0285625GEN WJ82X0064708GEN WJ01X0445713GEN WJ03X0279713GEN WJ03X0230801PLATE809TUBE SEAL CLAMP810COVER EVAPORATOR812GEN WJ76X0217916SPACER