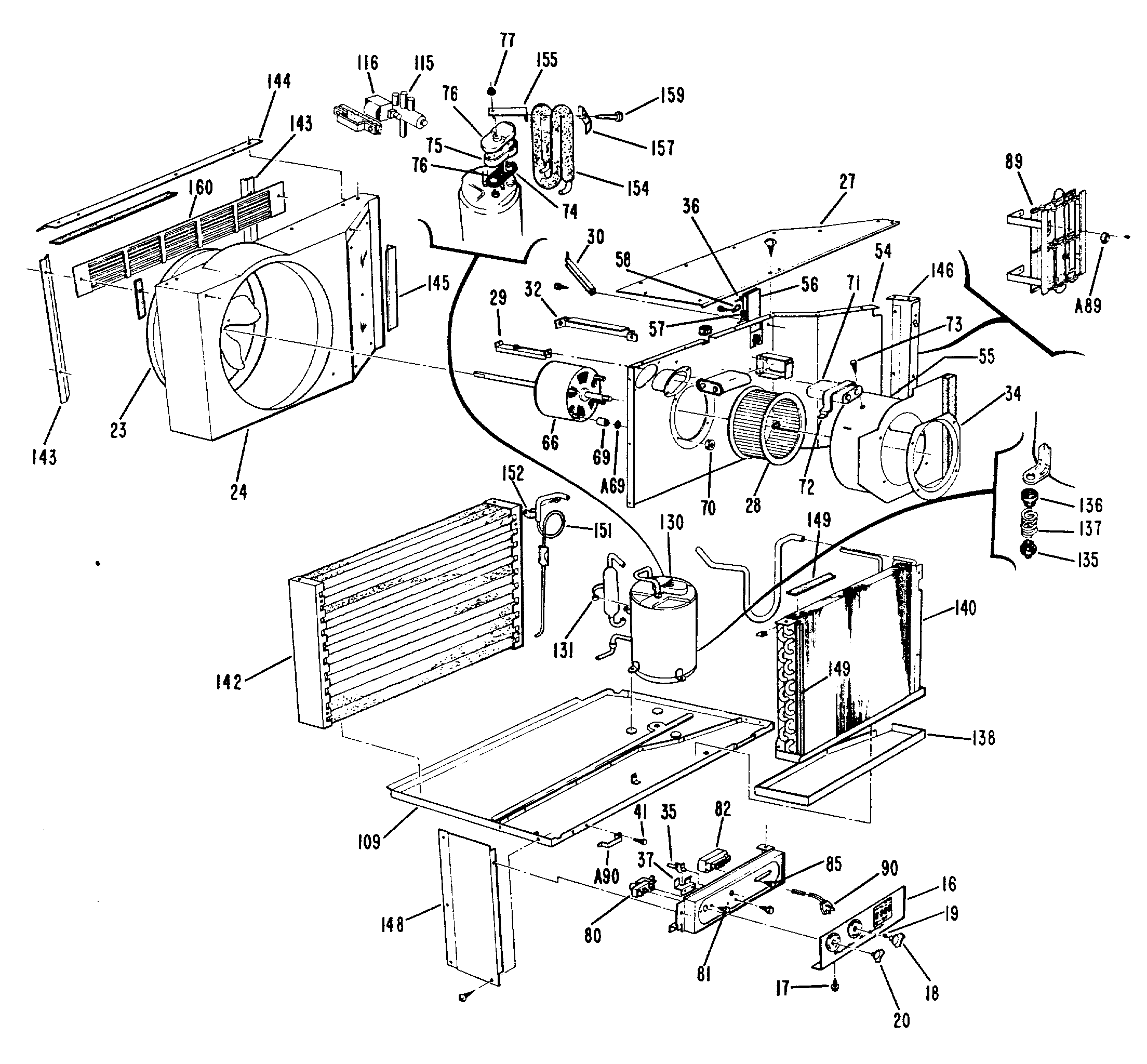
AGJSR09DAXT1 1admin2025-04-26T08:37:24+00:00AGJSR09DAXT1 1 ProductsPositionProduct17GEN WZ04X027518GEN WJ12X005819KNOB SPRING23GEN WJ03X021523OUTDOOR FAN WITH SLINGER23FAN SCREW24SHROUD OUTDOOR27TOP COVER ASSEMBLY28GEN WJ74X005928DEFLECTOR29BRACE30BRACE32BRACE34GEN WJ76X011835SHAFT DAMPER DOOR36LINK DAMPER DOOR37GEN WJ03X021141GEN WZ05X015655SCROLL ASSEMBLY INDOOR56GEN WJ70X016656GEN WJ43X025457GEN WJ02X027758GEN WJ02X023166GEN WJ43X024066GEN WJ94X050469GEN WJ01X030669GEN WJ01X045970GEN WJ01X044571CUP CAPACITOR COVER71CAPACITOR, FAN/RUN71GEN WJ01X034171GEN WJ03X019474GEN WJ23X006775GEN WJ79X019876TERMINAL CAP77GEN WJ01X029282GEN WJ26X006782GEN WJ03X017189GEN WJ28X009989GEN WJ70X018090CLAMP POWER CORD90GEN WJ35X0058115GEN WJ03X0232115GEN WJ43X0232115GEN WJ58X0022116GEN WJ58X0027130GEN WJ66X0260130GEN WJ01X0444130GEN WJ01X0499130GEN WJ98X0295130GEN WJ01X0470130GEN WJ01X0471131BAND ACCUM135GEN WJ01X0421138COVER DRIP TRAY138DRIP TRAY140BRACKET EVAPORATOR140GEN WJ87X0096142SEAL142GEN WJ88X0089142GEN WJ65X0286142GEN WJ01X0335142GEN WJ43X0280142GEN WJ44X0079142GEN WJ01X0249144DEFLECTOR145GEN WJ65X0264146PANEL RIGHT SIDE FRONT148PANEL LEFT SIDE FRONT149GEN WJ43X0249151GEN WJ53X0126151SLEEVE CAPILLARY THERM151CAPILLARY.045 ID X 18.5"151GEN WJ56X0037154GEN WJ62X0303160DEFLECTOR LOUVERED160GEN WJ86X0129