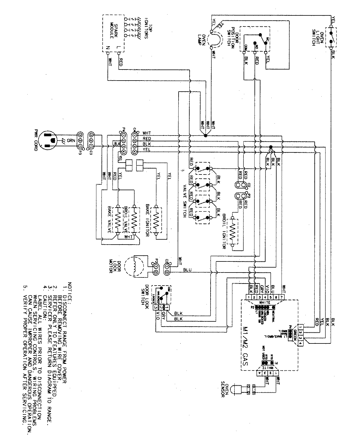
AGR5715QDB 07 – WIRING INFORMATION (QDB)admin2025-04-26T11:32:02+00:00AGR5715QDB 07 – WIRING INFORMATION (QDB) ProductsPositionProductNIMAY 15003723