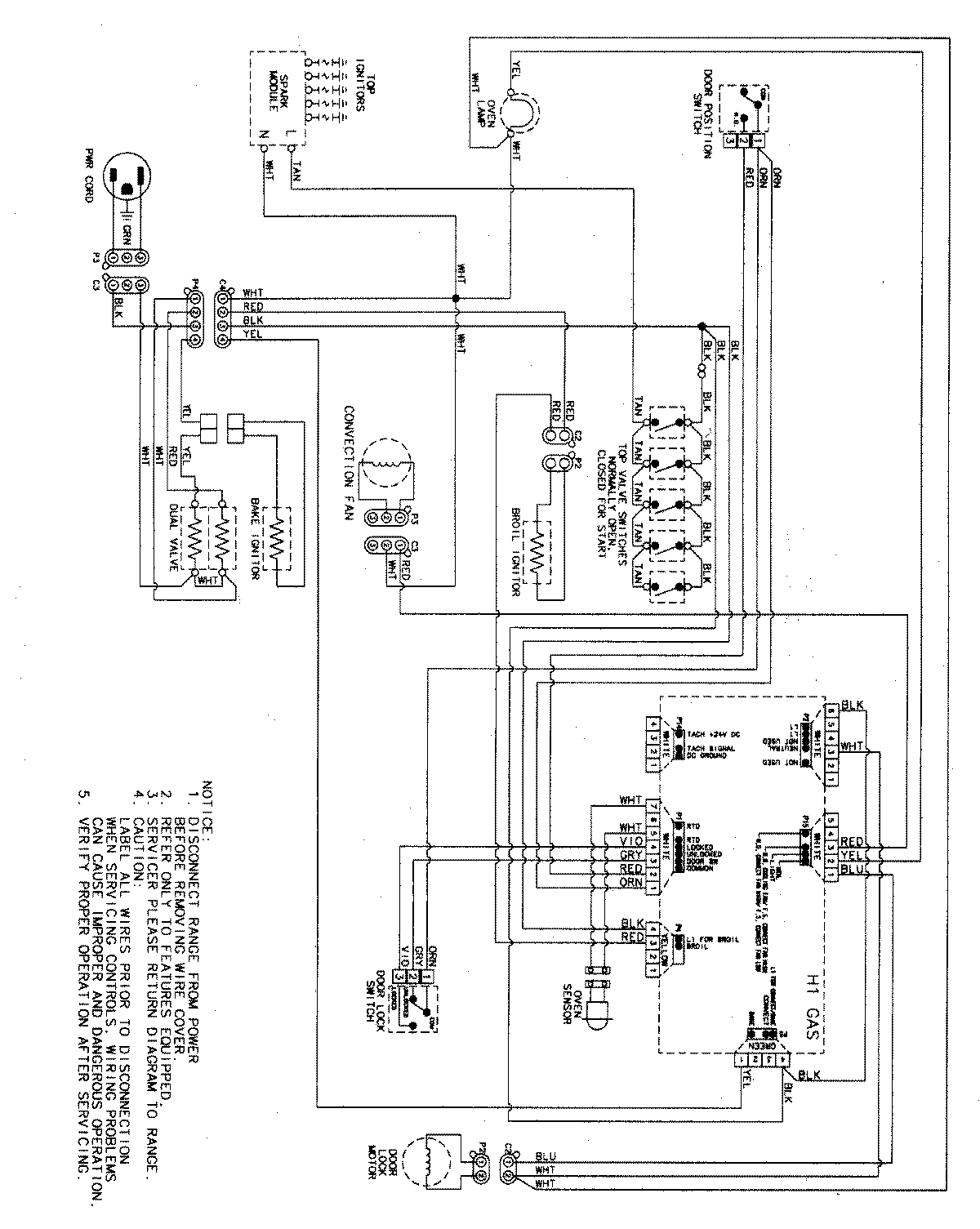
AGR5835QDB 07 – WIRING INFORMATIONadmin2025-04-26T11:34:08+00:00AGR5835QDB 07 – WIRING INFORMATION ProductsPositionProductNIMAY 15003324NIMAY 15003469