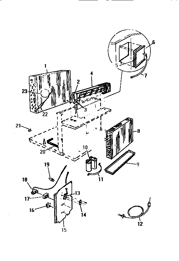
AH094H2T1 04 – CONTROLSadmin2025-04-26T08:50:14+00:00AH094H2T1 04 – CONTROLS ProductsPositionProduct1WCI 2627D44A022WCI A2861263WCI A1225024WCI A4306085SPRING, VENT DOOR6WCI 2627D77H017CABLE8WCI A4099079WCI 2628D62H0110CAPACITOR11WCI A11630112WCI A43502213WCI A33370214SPRING, DETENT15CONTROL PANEL16WCI A26210817WCI A26280218CONTROL19WCI A31000320WCI C34511921WCI C31321822WCI A26530123TUBE CAPILLARY CUT TO 35``