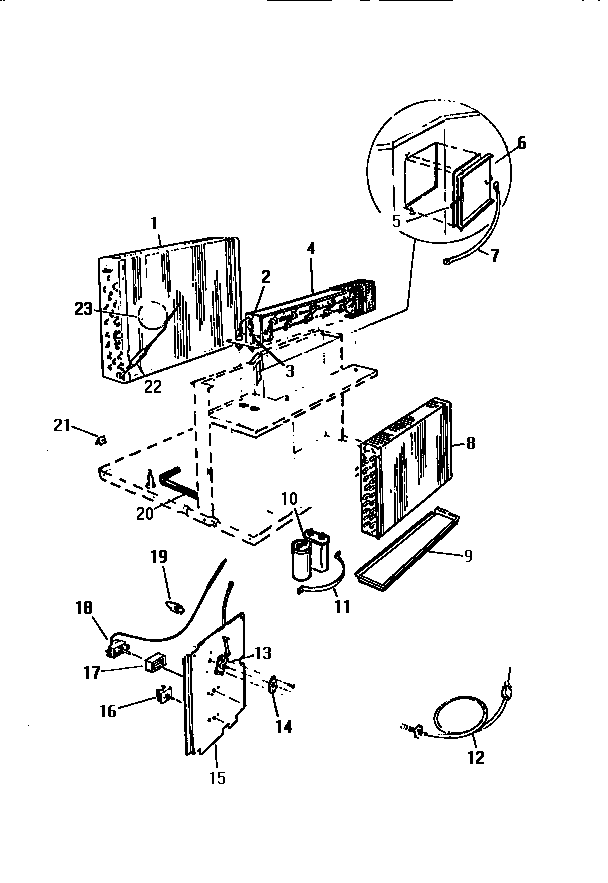
AH09EH2T1 04 – CONTROLSadmin2025-04-26T08:50:04+00:00AH09EH2T1 04 – CONTROLS ProductsPositionProduct1WCI A4067012WCI A2861263WCI A1225024WCI A4306085SPRING, VENT DOOR6WCI 2627D77H017CABLE, VENT8WCI A4097029WCI A42890110AWCI 187C527H0410CAPACITOR, COMPRESSOR11WCI A11630112WCI A43502113DETENT, BASE14SPRING, DETENT15WCI A42401016SWITCH, SELECTOR18CONTROL19WCI A31000320HOSE, DRAIN21WCI C31321822WCI A26530123TUBE CAPILLARY CUT TO 35``