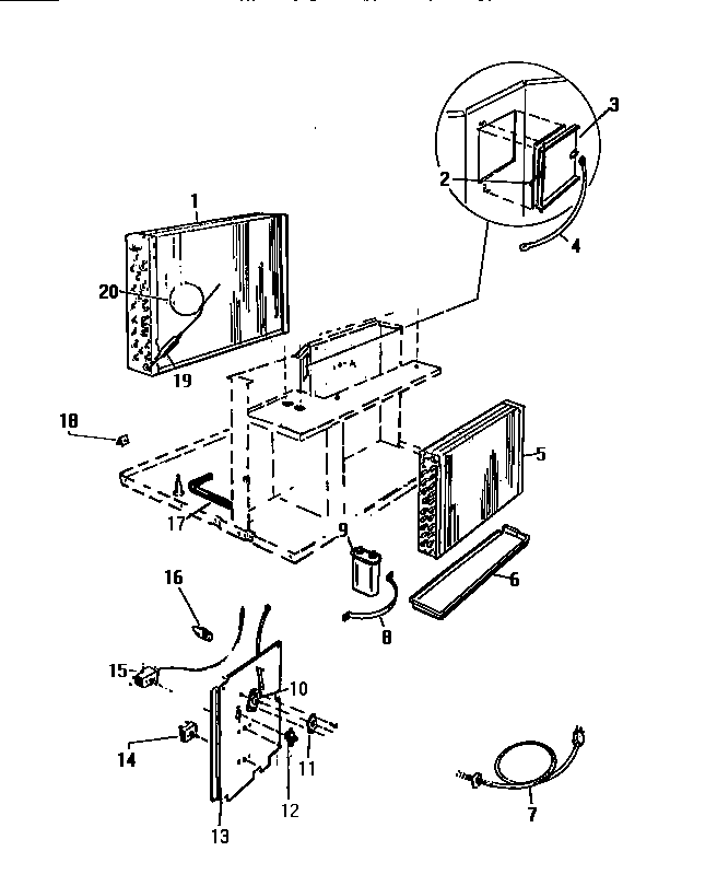
AH144G2T1 03 – CONTROL PARTSadmin2025-04-26T08:49:46+00:00AH144G2T1 03 – CONTROL PARTS ProductsPositionProduct1WCI 2627D49A102SPRING, VENT DOOR3WCI 2627D77H014CABLE, VENT5WCI A4084046TRAY EVAP.7WCI A4350218WCI A1163019WCI 187C527H1810DETENT, BASE11SPRING, DETENT12WCI A33360413WCI A42400414WCI A26210815WCI A33250316CLIP, SENSOR BULB17HOSE, DRAIN18WCI C31321819WCI A26530120WCI A112104