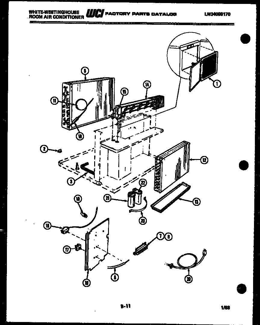
AH154L2T1 03 – ELECTRICAL PARTSadmin2025-04-26T08:50:21+00:00AH154L2T1 03 – ELECTRICAL PARTS ProductsPositionProduct1WCI 2627D77H022WCI C3132183HOSE, DRAIN4CLIP-DRAIN TUBE (NON-ILLUSTRATED)5WCI 2627D49A106CABLE VENT7BRKT-ACTUATOR8WCI A3508049VALVE-DRAIN (NON-ILLUSTRATED)10WCI A26530111WCI A11210412WCI A40940713TRAY EVAP.14HEATER ASSY15THERMOS-HEATER16WCI A46250417PLATE, DIAL18WCI A33250219WCI A31000320WCI A43502121CAPACITOR-COMP.22FAN CAPACITOR23STRAP24CAPACITOR-DUAL