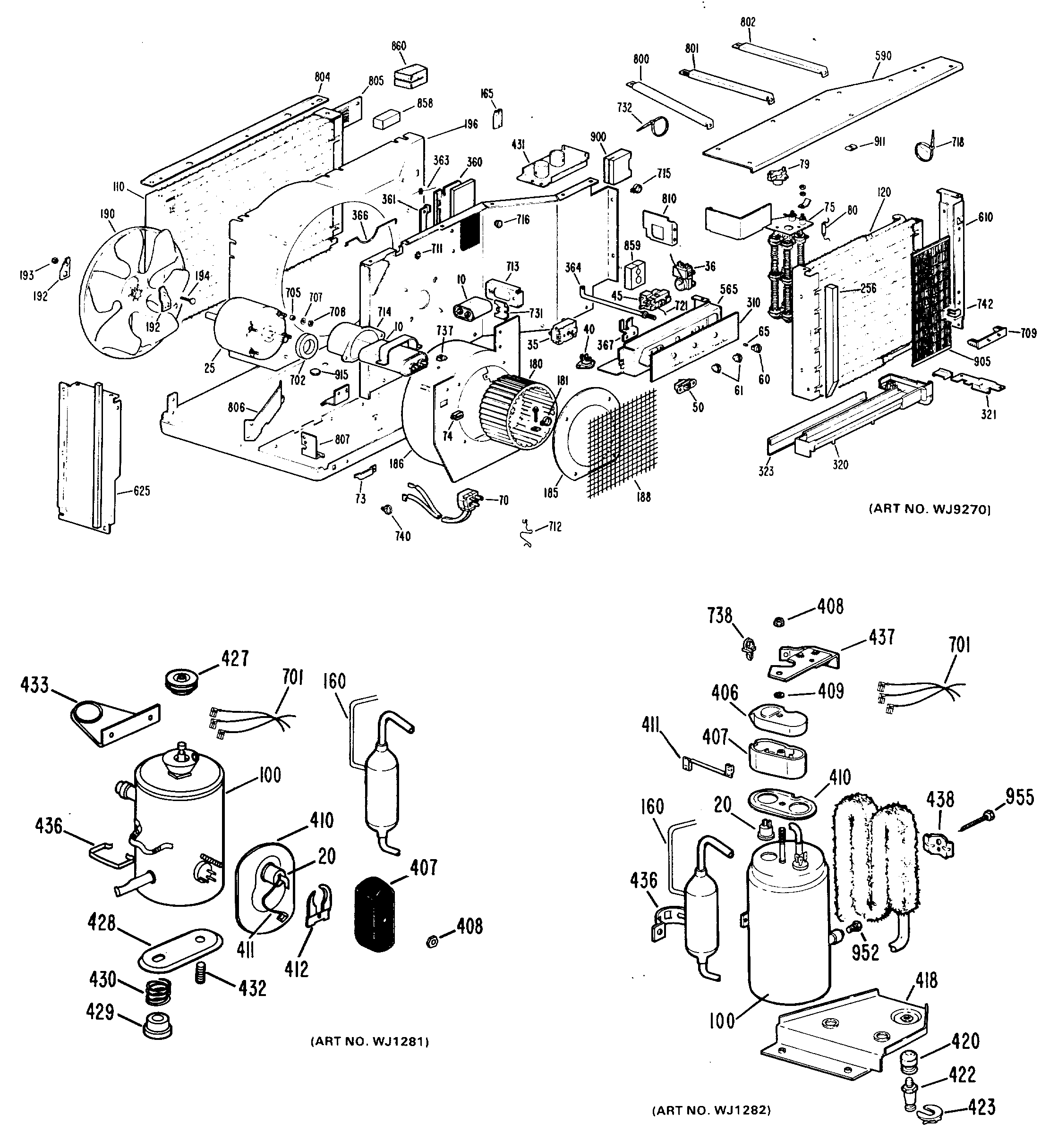
AJ508ASQ2 1admin2025-04-26T11:33:19+00:00AJ508ASQ2 1 ProductsPositionProduct10GEN WJ20X053810GEN WJ20X059920GEN WP23X003525MOTOR FAN35GEN WJ28X051245GEN WJ26X021960GEN WJ12X012861GEN WJ12X012970POWER CORD73CLAMP POWER CORD74GROMMET CORD POWER160CAPILLARY .036 CUT TO 14160CAPILLARY .042 CUT TO 15165GEN WJ56X0037165GEN WJ62X0220165GEN WJ56X0051180GEN WJ74X0094181BLOWER CLAMP ASSEMBLY185GEN WP76X0005188GEN WJ85X0109190OUTDOOR FAN WITH SLINGER192GEN WJ03X0215193FAN NUT194FAN SCREW196GEN WJ76X0259256GASKET SEPARATE AIR320GEN WJ70X0298321COVER DRIP TRAY360GEN WJ70X0166360GEN WJ70X0283361DAMPER DOOR HINGE CLAMP364SHAFT DAMPER DOOR366LINK DAMPER DOOR367GEN WJ03X0211406TERMINAL CAP407GEN WJ79X0409408GEN WJ01X0292409GEN WP01X0005410GEN WJ43X0333411CONDUCTOR TERMINAL CAP420GEN WJ01X0609422GEN WJ01X0608436ACCUMULATOR CLAMP437GEN WJ66X0426438GEN WJ03X0143565GEN WJ79X0389610PANEL RIGHT SIDE FRONT625PANEL LEFT SIDE FRONT701GEN WJ36X0016702GEN WJ43X0240705GEN WJ01X0306707GEN WZ10X0152708GEN WJ01X0445709SINK HEAT713GEN WJ03X0300713GEN WJ66X0418714CUP CAPACITOR COVER715GEN WJ02X0411715GEN WJ02X0392718GEN WJ02X0416721SLEEVE CAPILLARY THERM732WIRE STRAP737GEN WJ02X0422740WIRE CLIP SNAP-IN742GEN WJ02X0443800BRACE801BRACE802BRACE806GEN WJ65X0325807BRACKET EVAPORATOR859GEN WJ60X0025900GEN WP60X0001900GEN WJ43X0296952SCREW 10-16 X 5/8" HEX955GEN WZ04X0268