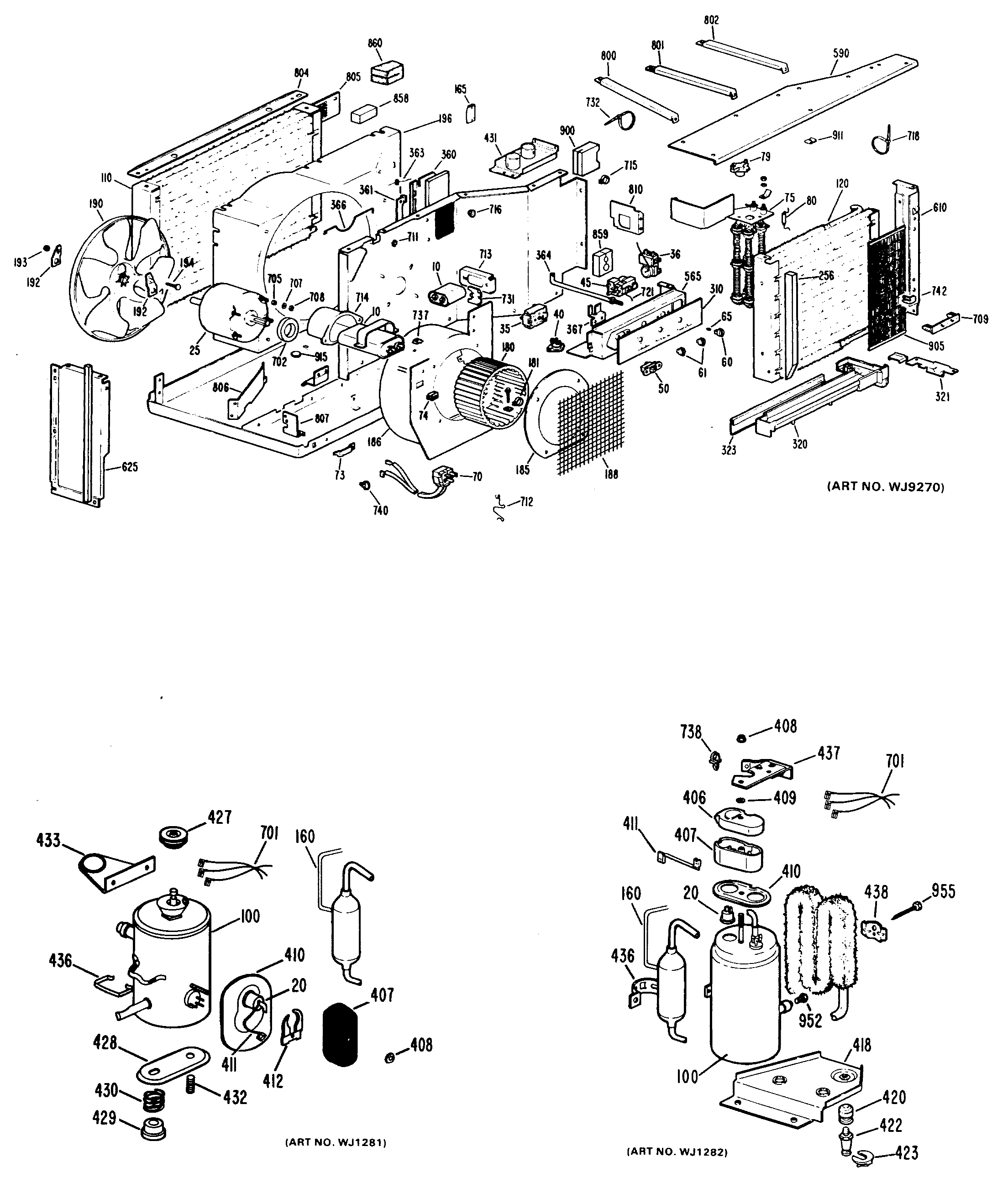
AJC11DSZ1 1admin2025-04-26T08:37:09+00:00AJC11DSZ1 1 ProductsPositionProduct10CAPACITOR 5 MFD10GEN WJ20X057220GEN WJ23X019625GEN WJ94X052135GEN WJ28X051236GEN WJ28X022445GEN WJ26X021960GEN WJ12X012861GEN WJ12X012965KNOB SPRING70GEN WJ35X010273CLAMP POWER CORD74GROMMET CORD POWER160CAPILLARY .036 CUT TO 14160CAPILLARY.045 ID X 18.5"165GEN WJ56X0037165GEN WJ62X0220165GEN WJ56X0051180GEN WJ74X0094181BLOWER CLAMP ASSEMBLY185GEN WJ76X0118190OUTDOOR FAN WITH SLINGER192GEN WJ03X0215193FAN NUT194FAN SCREW196GEN WJ76X0259256GASKET SEPARATE AIR310GEN WJ07X0810320GEN WJ70X0298321COVER DRIP TRAY360GEN WJ70X0166360GEN WJ70X0283361DAMPER DOOR HINGE CLAMP363GEN WJ02X0397364SHAFT DAMPER DOOR366LINK DAMPER DOOR367GEN WJ03X0211406TERMINAL CAP407GEN WJ79X0409408GEN WJ01X0292409GEN WP01X0005410GEN WJ43X0333411CONDUCTOR TERMINAL CAP420GEN WJ01X0609422GEN WJ01X0608423GEN WJ02X0360436ACCUMULATOR CLAMP437GEN WJ66X0426438GEN WJ03X0143565GEN WJ79X0389625PANEL LEFT SIDE FRONT701GEN WJ36X0016702GEN WJ43X0240705GEN WJ01X0306707GEN WZ10X0152708GEN WJ01X0445709SINK HEAT711GEN WJ01X0662713GEN WP03X0002713GEN WJ66X0418714CUP CAPACITOR COVER715GEN WJ02X0411715GEN WJ02X0392718GEN WJ02X0416721SLEEVE CAPILLARY THERM732WIRE STRAP737GEN WJ02X0422740WIRE CLIP SNAP-IN742GEN WJ02X0443800BRACE801BRACE802BRACE804DEFLECTOR805DEFLECTOR LOUVERED806GEN WJ65X0325807BRACKET EVAPORATOR858GEN WJ60X0024859GEN WJ60X0025860GEN WJ43X0358900GEN WJ43X0296900GEN WP60X0001952SCREW 10-16 X 5/8" HEX955GEN WZ04X0268