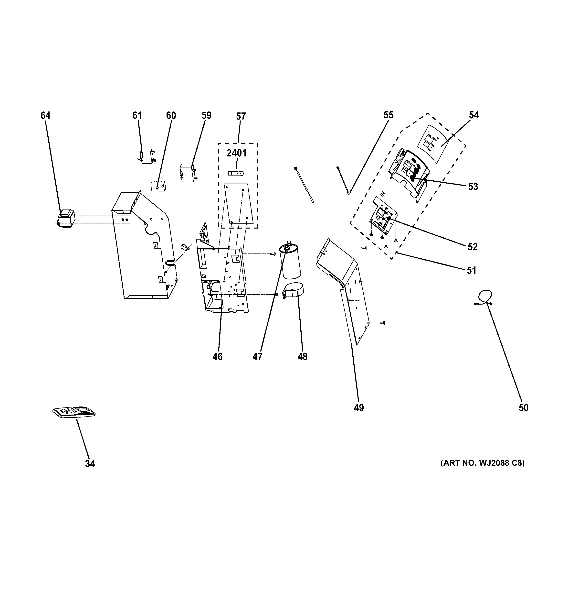
AJCM10ACEH1 CONTROL PARTS