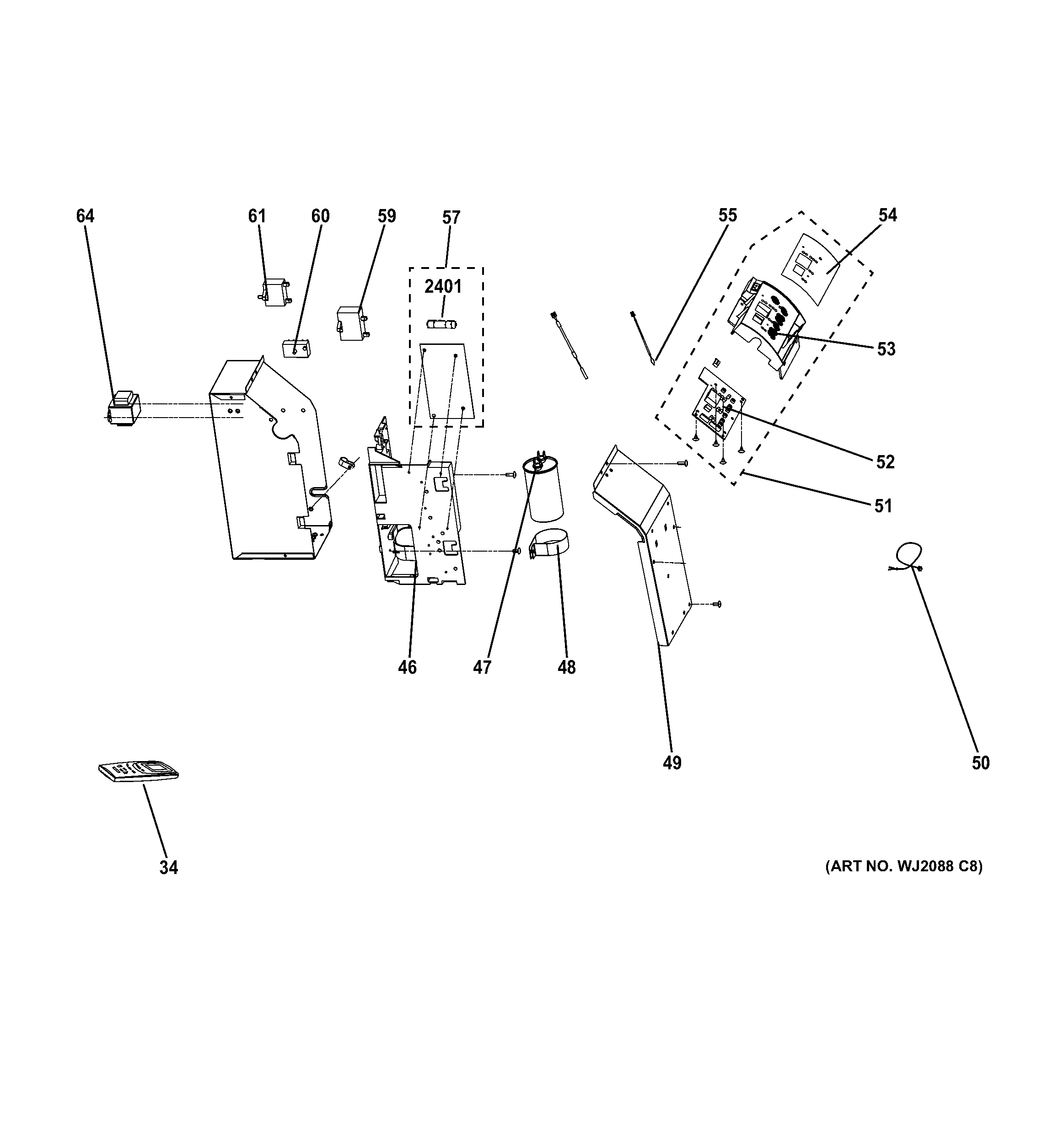
AJCQ08ACEQ1 CONTROL PARTSadmin2025-04-26T08:37:38+00:00AJCQ08ACEQ1 CONTROL PARTS ProductsPositionProduct34GEN WJ26X1036446BRACKET47CAPACITOR , MAIN47GEN WJ20X1020347GEN WJ20X1020547WJ20X10135 GE Capacitor48WJ02X10033 GE Capacitor Clamp48WJ02X10034 GE Capacitor Clamp49WJ80X10018 GE Control Box Cover Plate50WJ35X10179 GE Air Conditioner Power Cord51WJ26X10363 GE Air Conditioner Control Panel52GEN WJ07X1026153WJ79X10261 GE Air Conditioner Remote Sensor Cover54GEN WJ26X1036555WJ26X25108 GE Temperature Sensor57WJ29X10047 GE Air Conditioner Main Circuit Board59WJ20X10204 GE Air Conditioner Capacitor59WJ20X10148 GE Air Conditioner Compressor Capacitor60TERMINAL BOARD61WJ20X10146 GE Compressor Capacitor64TRANSFORMER 41X26.5K2401WJ23X10174 GE Air Conditioner Main Board Fuse