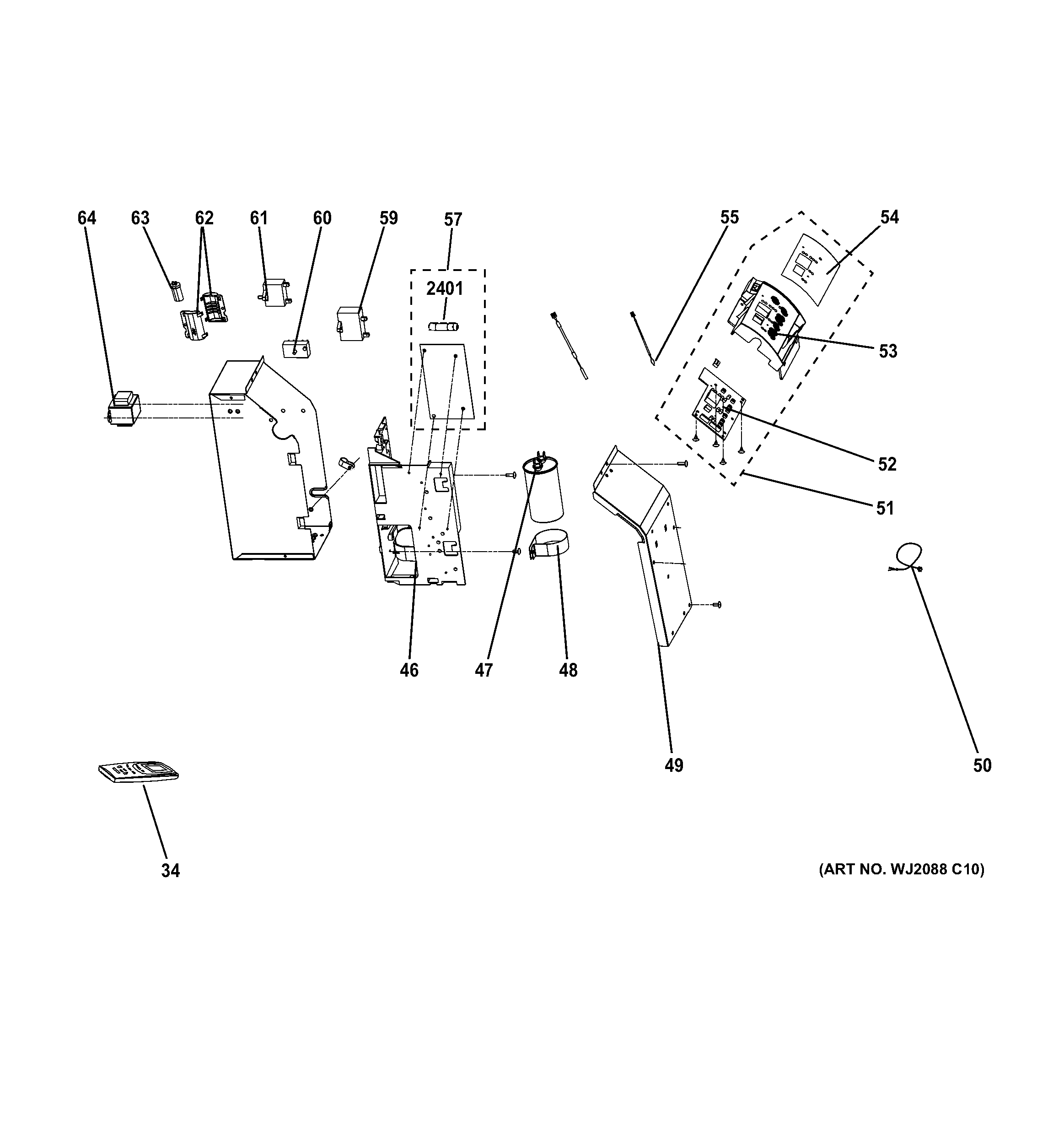
AJCQ09DCEL1 CONTROL PARTSadmin2025-04-26T08:37:35+00:00AJCQ09DCEL1 CONTROL PARTS ProductsPositionProduct34GEN WJ26X1036446BRACKET47GEN WJ20X1019947GEN WJ20X1014948WJ02X10034 GE Capacitor Clamp49WJ80X10018 GE Control Box Cover Plate50WJ35X10139 GE Air Conditioner Power Cord51WJ26X10363 GE Air Conditioner Control Panel52GEN WJ07X1026153WJ79X10261 GE Air Conditioner Remote Sensor Cover54GEN WJ26X1036555WJ26X25108 GE Temperature Sensor57WP29X20006 GE Air Conditioner Main Board59WJ20X10196 GE Air Conditioner CBB61 Capacitor60TERMINAL BOARD61WJ20X10197 GE Air Conditioner CBB61 Capacitor62WJ79X10255 GE OLP Cover63GEN WJ23X1016564TRANSFORMER2401WJ23X10174 GE Air Conditioner Main Board Fuse