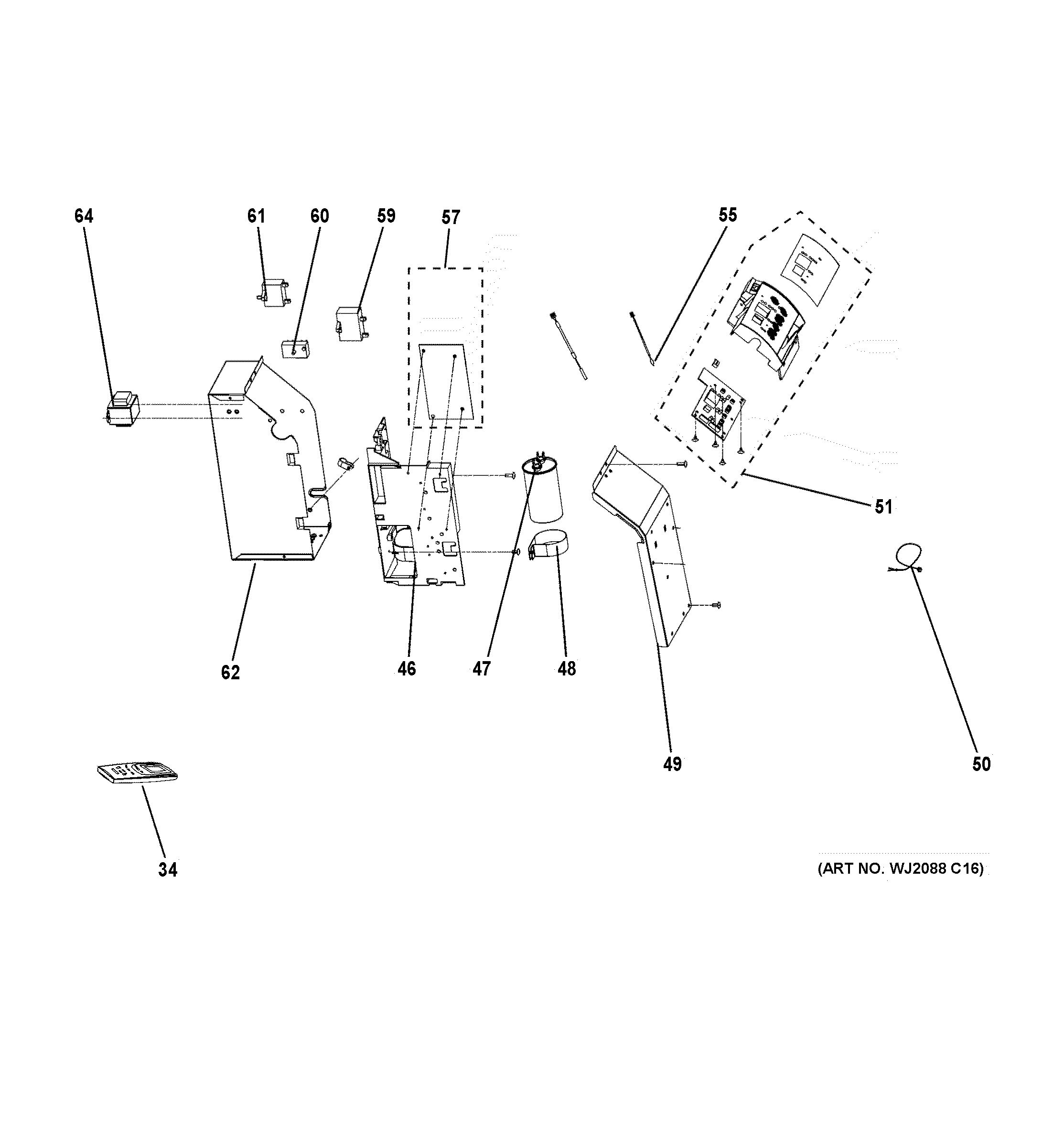
AJCQ12ACGL1 CONTROL PARTSadmin2025-04-26T08:37:56+00:00AJCQ12ACGL1 CONTROL PARTS ProductsPositionProduct34WJ26X21700 GE Air Conditioner Remote Control46WJ65X21409 GE Air Conditioner Board Holder47GEN WJ20X1020548WJ02X20201 GE Capacitor Clamp49WJ76X21393 GE Control Box Cover50WJ35X10179 GE Air Conditioner Power Cord51WJ26X21426 GE Air Conditioner Control Assembly55WJ26X25108 GE Temperature Sensor57WJ29X10047 GE Air Conditioner Main Circuit Board59WJ20X10148 GE Air Conditioner Compressor Capacitor60TERMINAL BOARD61WJ20X10146 GE Compressor Capacitor62WJ76X21442 GE Box Control64WJ27X10170 GE Transformer