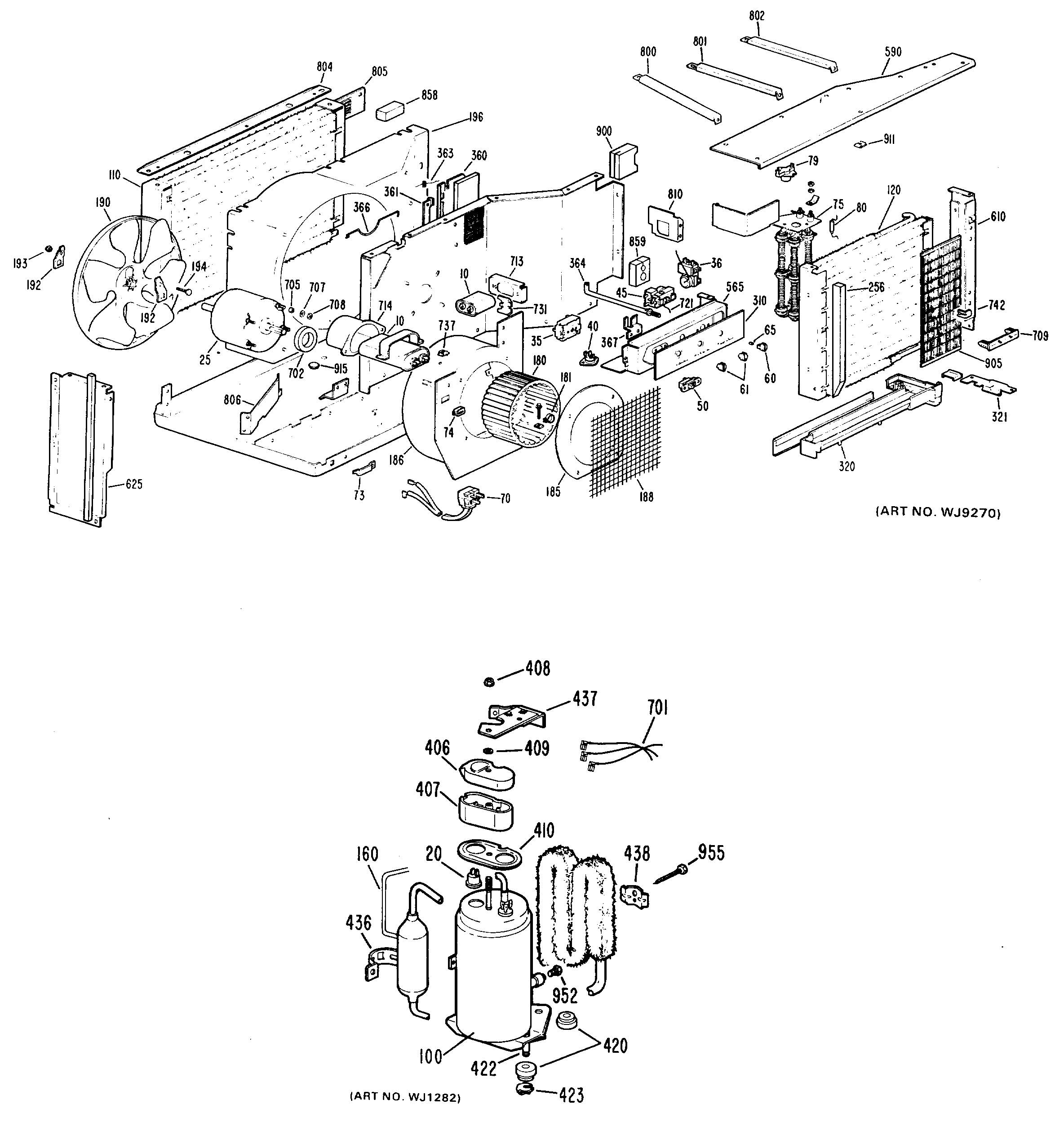
AJE09D1Q1 1admin2025-04-26T08:37:37+00:00AJE09D1Q1 1 ProductsPositionProduct10GEN WJ20X030210ADD CAPACITOR IF REQD25FAN MOTOR35GEN WJ28X050436GEN WJ28X015945MAIN SWITCH 7 POS ROTARY60GEN WJ12X012861GEN WJ12X012965KNOB SPRING70GEN WJ35X009273CLAMP POWER CORD74GROMMET CORD POWER75GEN WJ70X027879GEN WJ23X0217100GEN WJ98X0564110GEN WJ88X0160120GEN WJ87X0210160CAPILLARY .049 CUT-25"180GEN WJ74X0094181BLOWER CLAMP ASSEMBLY185GEN WP76X0005186GEN WJ79X0337188GEN WJ85X0109190OUTDOOR FAN WITH SLINGER192GEN WJ03X0215193FAN NUT194FAN SCREW196GEN WJ76X0224256GEN WJ43X0378310GEN WJ07X0701320DRIP TRAY321COVER DRIP TRAY360GEN WJ70X0283360GEN WJ70X0166361DAMPER DOOR HINGE CLAMP363GEN WJ02X0397364SHAFT DAMPER DOOR366LINK DAMPER DOOR367GEN WJ03X0211406TERMINAL CAP407TERMINAL COVER408GEN WJ01X0292409GEN WP01X0005410GEN WJ43X0333420GEN WJ01X0609422GEN WJ01X0608423GEN WJ02X0360436ACCUMULATOR CLAMP437GEN WJ66X0230438GEN WJ03X0143565GEN WJ79X0346590TOP COVER ASSEMBLY625PANEL LEFT SIDE FRONT701GEN WP36X0003702GEN WJ43X0240705GEN WJ01X0306707WASHER707GEN WZ10X0152708GEN WJ01X0445713GEN WJ66X0374713GEN WJ03X0300714CUP CAPACITOR COVER721SLEEVE CAPILLARY THERM731GEN WJ02X0419737GEN WJ02X0422800BRACE801BRACE802BRACE804DEFLECTOR805DEFLECTOR LOUVERED806GEN WJ65X0325858GEN WJ60X0024859GEN WJ60X0025900GEN WJ43X0296900GEN WP60X0001911GEN WJ02X0441915DRAIN PLUG952SCREW 10-16 X 5/8" HEX955GEN WZ04X0268