AJE10D3W1 2

AJE10D3W1 2

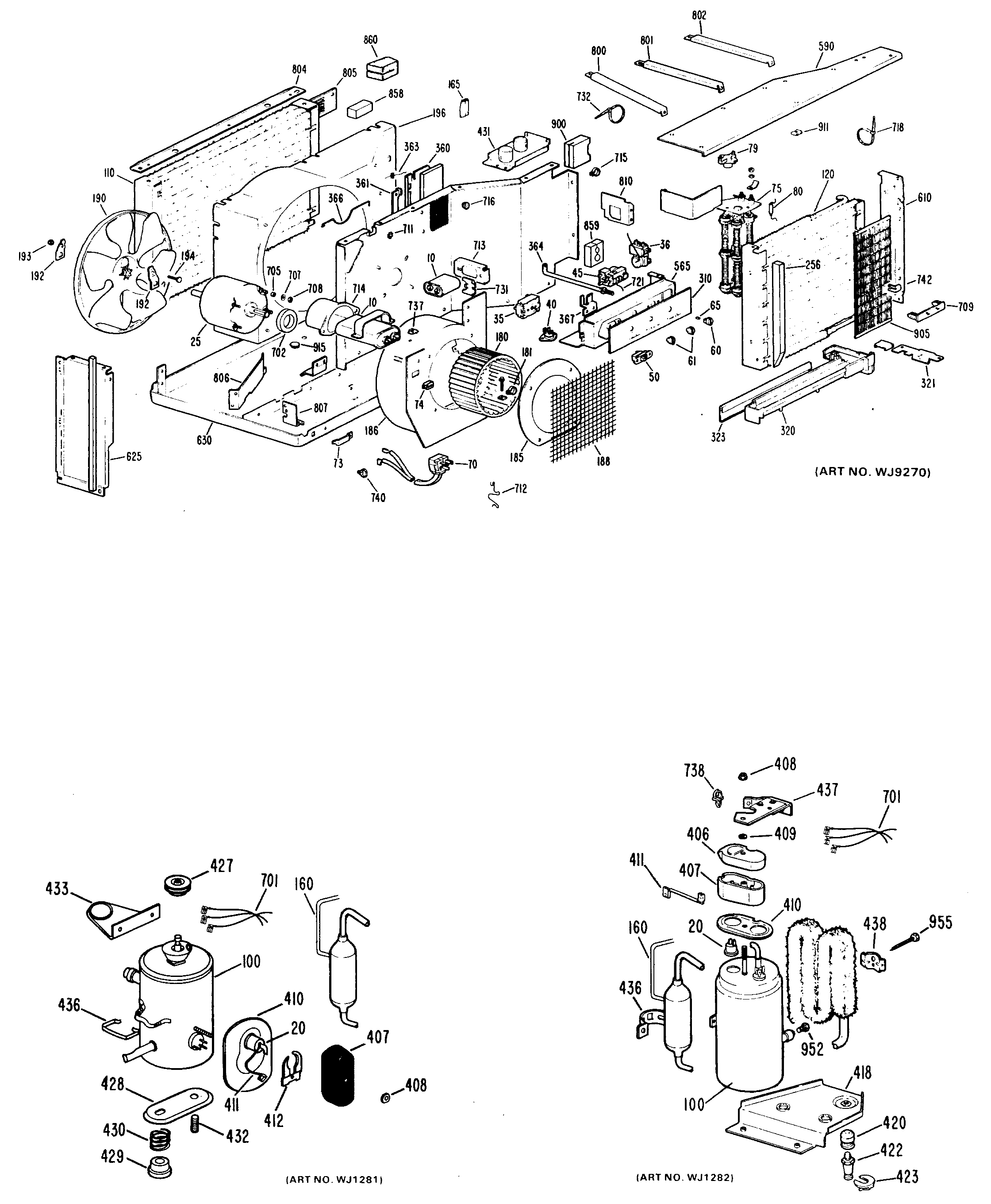
Products

PositionProduct
10CAPACITOR 5 MFD
10UNKNOWN
20GEN WJ23X0088
25GEN WJ94X0521
35GEN WJ28X0504
36GEN WJ28X0224
40GEN WP23X0015
45MAIN SWITCH 7 POS ROTARY
60GEN WJ12X0128
61GEN WJ12X0129
65KNOB SPRING
70GEN WJ35X0092
73CLAMP POWER CORD
74GROMMET CORD POWER
75HEATER ASSEMBLY
79UNKNOWN
160CAPILLARY .042 CUT TO 15
160CAPILLARY .039 CUT TO 15
165GEN WJ56X0051
165GEN WJ62X0220
165GEN WJ56X0037
180GEN WJ74X0094
181BLOWER CLAMP ASSEMBLY
185GEN WJ76X0118
190OUTDOOR FAN WITH SLINGER
192GEN WJ03X0215
193FAN NUT
194FAN SCREW
196GEN WJ76X0259
256GASKET SEPARATE AIR
310GEN WP07X0023
320GEN WJ70X0298
323GEN WJ70X0281
360GEN WJ70X0166
360GEN WJ70X0283
361DAMPER DOOR HINGE CLAMP
363GEN WJ02X0397
364SHAFT DAMPER DOOR
366LINK DAMPER DOOR
367GEN WJ03X0211
406TERMINAL CAP
407GEN WJ79X0409
408GEN WJ01X0292
409GEN WP01X0005
410GEN WJ43X0333
411CONDUCTOR TERMINAL CAP
420GEN WJ01X0609
422GEN WJ01X0608
423GEN WJ02X0360
436ACCUMULATOR CLAMP
437GEN WJ66X0426
438GEN WJ03X0143
565GEN WJ79X0393
590TOP COVER ASSEMBLY
610PANEL RIGHT SIDE FRONT
625PANEL LEFT SIDE FRONT
630GEN WJ66X0390
701GEN WJ36X0016
702GEN WJ43X0240
705GEN WJ01X0306
707GEN WZ10X0152
708GEN WJ01X0445
711GEN WJ01X0662
713GEN WJ03X0300
713GEN WJ66X0418
714CUP CAPACITOR COVER
715GEN WJ02X0428
715GEN WJ02X0392
715GEN WJ02X0411
716GEN WJ01X0643
718GEN WJ02X0416
721SLEEVE CAPILLARY THERM
732WIRE STRAP
737GEN WJ02X0422
740WIRE CLIP SNAP-IN
742GEN WJ02X0443
800BRACE
801BRACE
802BRACE
804DEFLECTOR
805DEFLECTOR LOUVERED
806GEN WJ65X0325
807BRACKET EVAPORATOR
858GEN WJ60X0024
859GEN WJ60X0025
860GEN WJ43X0358
900GEN WP60X0001
900GEN WJ43X0296
915DRAIN PLUG
952SCREW 10-16 X 5/8" HEX
955GEN WZ04X0268