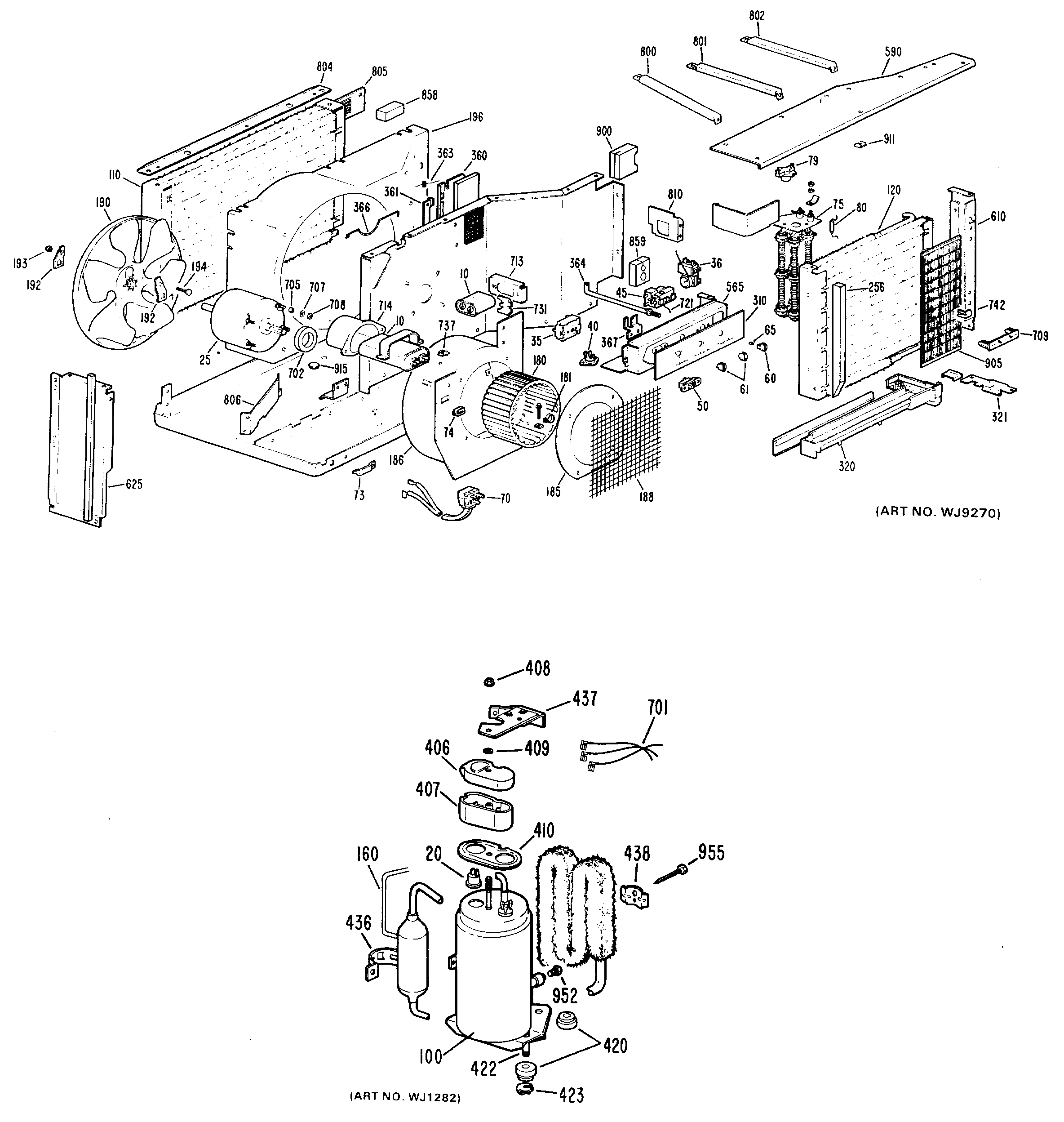
AJE11DMZ1 1admin2025-04-26T08:38:00+00:00AJE11DMZ1 1 ProductsPositionProduct10GEN WJ20X042510GEN WJ20X031520GEN WJ23X019625ADD CAPACITOR IF REQD25UNKNOWN35GEN WJ28X050436GEN WJ28X015940GEN WP23X001545MAIN SWITCH 7 POS ROTARY60GEN WJ12X012861GEN WJ12X012965KNOB SPRING70GEN WJ35X009273CLAMP POWER CORD74GROMMET CORD POWER75GEN WJ70X027879GEN WP23X0031100COMPRESSOR110GEN WJ88X0160120GEN WJ87X0195160CAPILLARY.045 ID X 18.5"160CAPILLARY .036 CUT TO 14180GEN WJ74X0094181BLOWER CLAMP ASSEMBLY185GEN WJ76X0118186GEN WJ79X0337190OUTDOOR FAN WITH SLINGER192GEN WJ03X0215193FAN NUT194FAN SCREW196GEN WJ76X0224256GASKET SEPARATE AIR310GEN WJ07X0701320DRIP TRAY321COVER DRIP TRAY360GEN WJ70X0283360GEN WJ70X0166361DAMPER DOOR HINGE CLAMP363GEN WJ02X0397364SHAFT DAMPER DOOR366LINK DAMPER DOOR367GEN WJ03X0211406TERMINAL CAP407TERMINAL COVER408GEN WJ01X0292409GEN WP01X0005410GEN WJ43X0333420GEN WJ01X0609422GEN WJ01X0608423GEN WJ02X0360436ACCUMULATOR CLAMP437GEN WJ66X0230438GEN WJ03X0143565GEN WJ79X0346590TOP COVER ASSEMBLY610PANEL RIGHT SIDE FRONT625PANEL LEFT SIDE FRONT701GEN WP36X0003702GEN WJ43X0240705GEN WJ01X0306707GEN WZ10X0152708GEN WJ01X0445713GEN WJ03X0300713GEN WJ66X0374714CUP CAPACITOR COVER721SLEEVE CAPILLARY THERM731GEN WJ02X0419737GEN WJ02X0422742GEN WJ02X0443800BRACE801BRACE802BRACE804DEFLECTOR805DEFLECTOR LOUVERED806DEFLECTOR858GEN WJ60X0024859GEN WJ60X0025900GEN WJ43X0296900GEN WP60X0001905WATER SHIELD915DRAIN PLUG952SCREW 10-16 X 5/8" HEX955GEN WZ04X0268