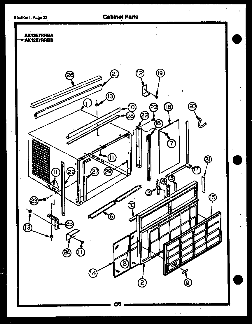
AK12E7RRBA 15 – CABINET PARTS