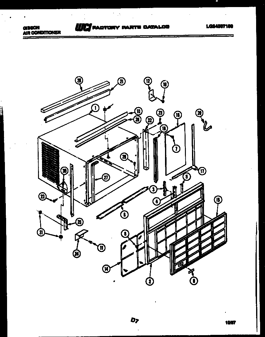
AK13E8RTBA 02 – CABINET PARTSadmin2025-04-26T08:50:41+00:00AK13E8RTBA 02 – CABINET PARTS ProductsPositionProduct1WCI G5226672WCI G511535-013WCI G511590-014WCI G5115915WCI G150774-056WCI G511589-017WCI G5212088SCREW-FRT PNL9PLATE-NAME10MEMBR-TP FRAME11SCRW NO. 10 X 3/8 (3)12BRACKET-BASE13NUT NO. 10 (3)14WCI G51159215WCI G511536-0116WINDOW PANEL17SEAL-SIDES & BTM18WCI G149182-0519WCI G10077320WCI G11731321WCI G149356-0522MEMBR-SIDE FRAME (2)23154419403 Frigidaire Dishwasher Screw24BRKT-SILL SUPT (2)25BRKT-TRACK SUPT (2)26WCI G145337-1027SEAL-BETWN UNIT & SHELL28SEAL-TOP FRAME29WCI G10082130WCI G10082431NUT-MOTOR MTG32INSTALL. INSTRUC.33OWNERS MANUAL (NON-ILLUSTRATED)34WCI G507945