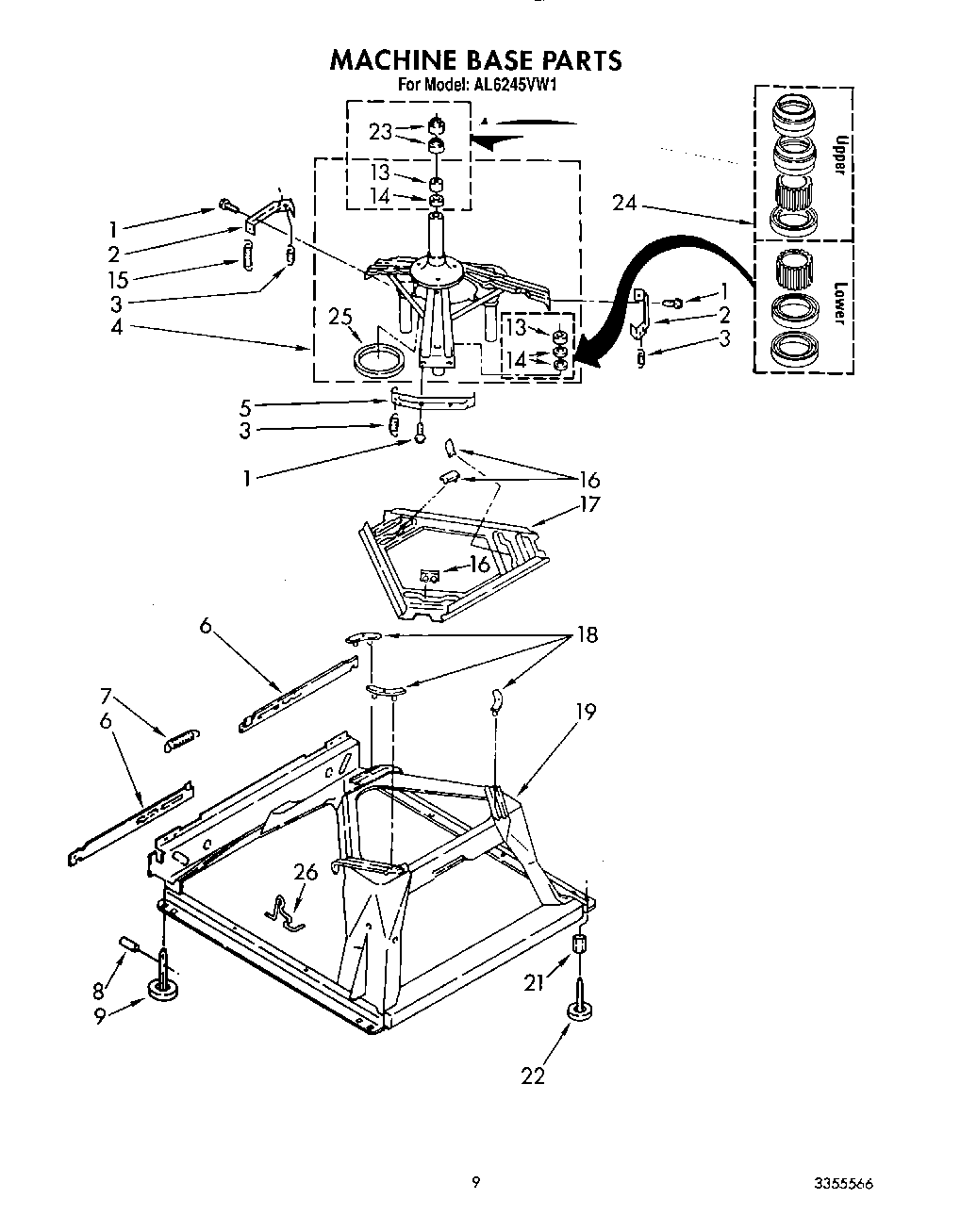
AL6245VG1 08 – MACHINE BASE