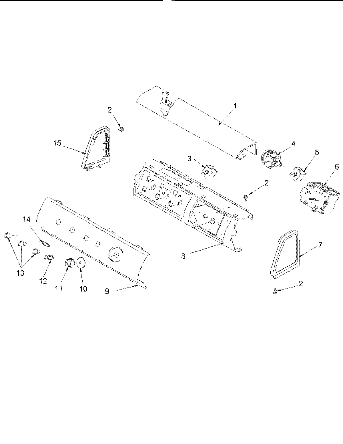
ALW880QAC 02 – CONTROL PANELadmin2025-04-26T11:17:33+00:00ALW880QAC 02 – CONTROL PANEL ProductsPositionProduct1MAY 503674C2MAY 5010863MAY 400741014MAY 400551015MAY 400395016MAY 400591027MAY 40012701C7MAY 40012702C8MAY 400396019MAY 40091401C10MAY 40013701C11MAY 40014001C12MAY 38424L13MAY 40013401C14MAY 4008330115MAY 40098701