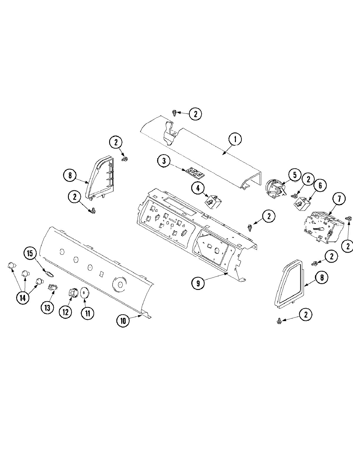
ALW895SAC 02 – CONTROL PANELadmin2025-04-26T11:19:02+00:00ALW895SAC 02 – CONTROL PANEL ProductsPositionProductNIMAY 270011421MAY 503674C2MAY 5010863MAY 401310014MAY 401311015MAY 401142026MAY 400395017MAY 401312018MAY 40012701C8MAY 40012702C9MAY 4003960910MAY 40135301C11MAY 40013701C12MAY 40014001C13MAY 38424L14MAY 40013401C15MAY 40083301