AR1200XW3 01 – UNIT, LITERATUREadmin2025-04-26T12:43:20+00:00AR1200XW3 01 – UNIT, LITERATURE
Products
| Position | Product |
|---|
| Wiring Diagram |
| Guide, Operation |
| List, Repair Parts |
| Installation, Instructions |
| Sheet, Tech |
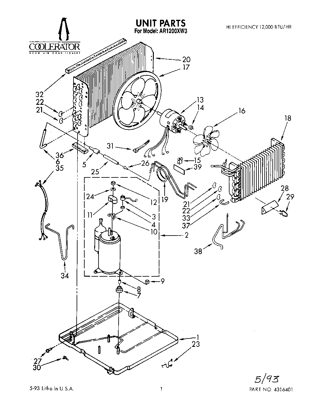
| 1 | Base |
| 2 | Compressor |
| 3 | Overload (Production) |
| 3 | Overload |
| 4 | Spring, Overload |
| 5 | Tube, Flow Divider |
| 6 | Tube, Connecting |
| 7 | WP950021 Whirlpool Grommet |
| 8 | Sleeve (3) |
| 9 | Locknut (3) |
| 10 | WP950035 Whirlpool Cover Gasket |
| 11 | WP950036 Whirlpool Cover Assembly |
| 12 | WP950027 Whirlpool Mounting Nut |
| 13 | Motor, Fan |
| 14 | WP488130 Whirlpool Air Conditioner Nut |
| 15 | Clamp, Wiring |
| 16 | Blade, Fan (Evaporator) |
| 17 | Blade, Fan (Condenser) |
| 18 | Evaporator |
| 19 | Tube, Restrictor (2) |
| 20 | Condenser |
| 21 | Bend, Return Condenser (10) |
| 22 | Bend, Return Condenser (4) |
| 23 | Clip, Mtg. (2) (Base to Front) |
| 24 | Gasket, Nut |
| 25 | Tube, Outlet (Includes Illus. 24) |
| 26 | Strainer |
| 27 | WP489069 Whirlpool Compactor Screw |
| 27 | Screw, Repair |
| 28 | Anticipator, Temperature |
| 29 | Clip, Anticipator |
| 30 | Clamp, Restrictor Tube |
| 31 | WPW10339879 Whirlpool Wire Tie |
| 32 | Seal, Condenser Top |
| 33 | Bend, Return Condenser (1) |
| 34 | Tube, Discharge |
| 35 | Harness, Wiring |
| 36 | WP854334 Whirlpool Air Conditioner Sealing Strip |
| 37 | Bend Return |
| 38 | Tube, Suction |
| 39 | Seal, Anti-Rub |