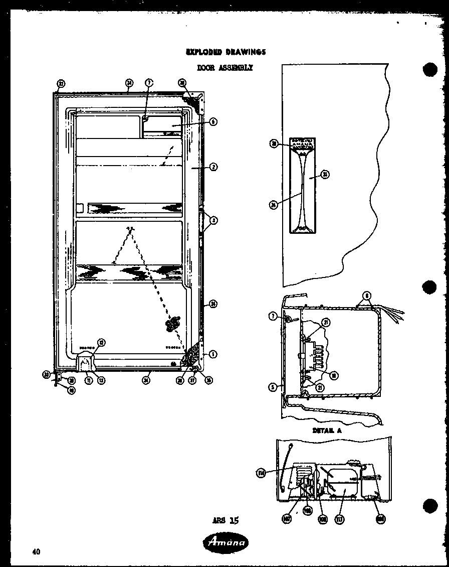
AR14L 03 – DOOR ASSYadmin2025-04-26T08:56:22+00:00AR14L 03 – DOOR ASSY ProductsPositionProduct32MAY B053980539MAY C357270240MAY B0532701109DRIER117MAY D3918502