AR2400XT0 01 – UNIT, LITERATUREadmin2025-04-26T12:42:19+00:00AR2400XT0 01 – UNIT, LITERATURE
Products
| Position | Product |
|---|
| Instructions, Installation (Wide Window Kit) |
| Sheet, Tech And Wiring Diagram |
| Guide, Operating |
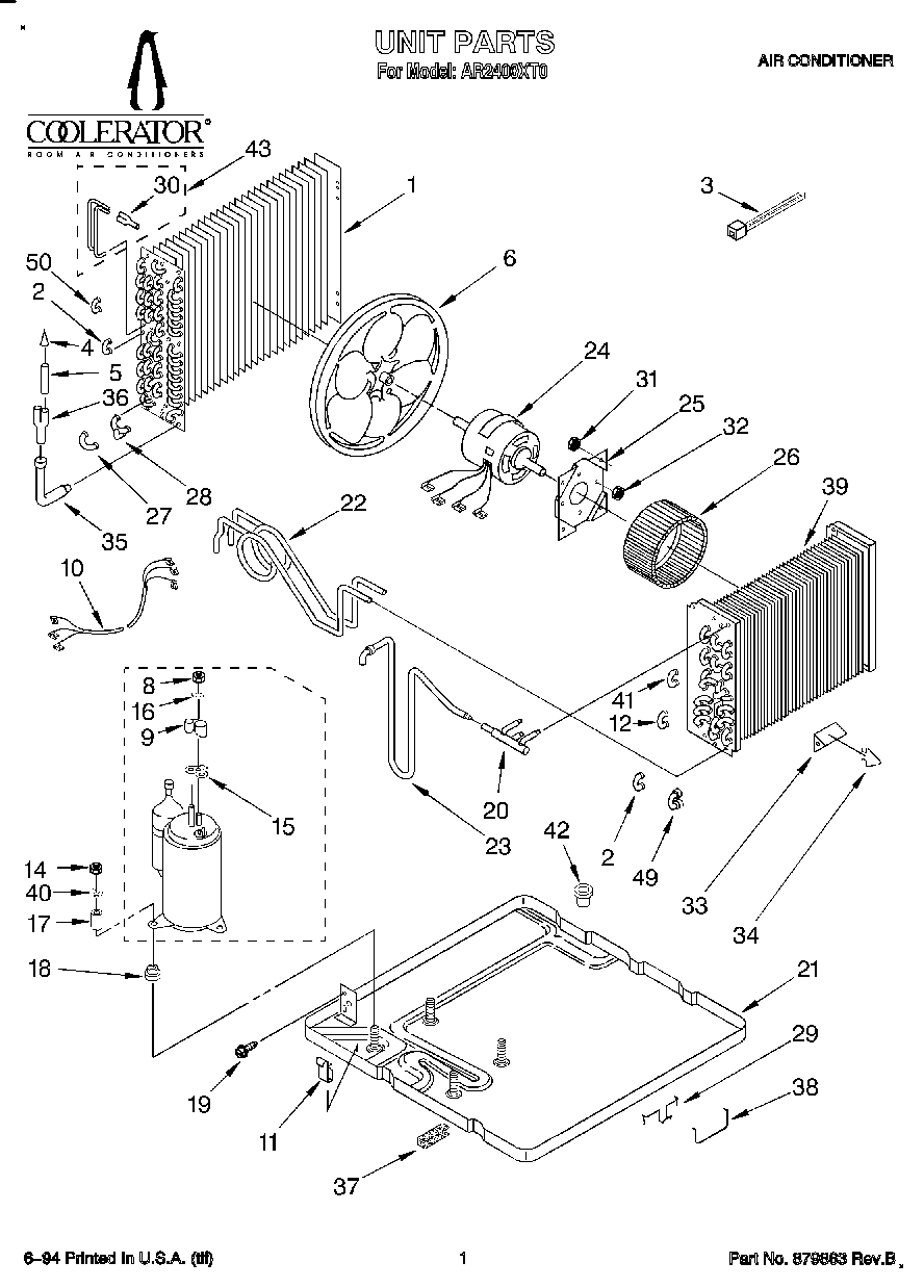
| 1 | Condenser |
| 2 | Bend, Return Evaporator (11) |
| 3 | WPW10339879 Whirlpool Wire Tie |
| 4 | Strainer |
| 5 | Tube, Outlet (Includes Illus. 4) |
| 6 | Blade, Fan |
| 8 | WP950027 Whirlpool Mounting Nut |
| 9 | WP950036 Whirlpool Cover Assembly |
| 10 | Harness, Wiring |
| 11 | Clamp, Restrictor Tube |
| 12 | Bend, Return Condenser (3) Evaporator (1) |
| 13 | Compressor |
| 14 | Locknut (3) |
| 15 | WP950035 Whirlpool Cover Gasket |
| 16 | Gasket, Nut |
| 17 | Sleeve (3) |
| 18 | Grommet (3) |
| 19 | WP488729 Whirlpool Refrigerator Door Screw |
| 20 | Tube, Manifold |
| 21 | Base |
| 22 | Tube, Restrictor (3) (53.0`` Length) |
| 23 | Tube, Suction |
| 24 | Motor, Fan |
| 25 | WPL 998024 |
| 26 | Wheel, Blower |
| 27 | Bend, Return Evaporator (4) |
| 28 | Bend, Return (3-Way) |
| 29 | Clip, Mtg. (3) |
| 30 | Tube, Flow Divider |
| 31 | Nut, Hex (4) |
| 32 | WP488130 Whirlpool Air Conditioner Nut |
| 33 | Anticipator |
| 34 | Clip (2) |
| 35 | Tube, Outlet |
| 36 | Tube, Flow Divider |
| 37 | Seal |
| 38 | WPL 647971 |
| 39 | Evaporator |
| 40 | Washer, Flat (3) |
| 41 | Tube, Riser (2) |
| 42 | Bushing, Base |
| 43 | Divider, Complete |
| 49 | WP855199 Whirlpool Bend Return |
| 50 | Bend, Return |