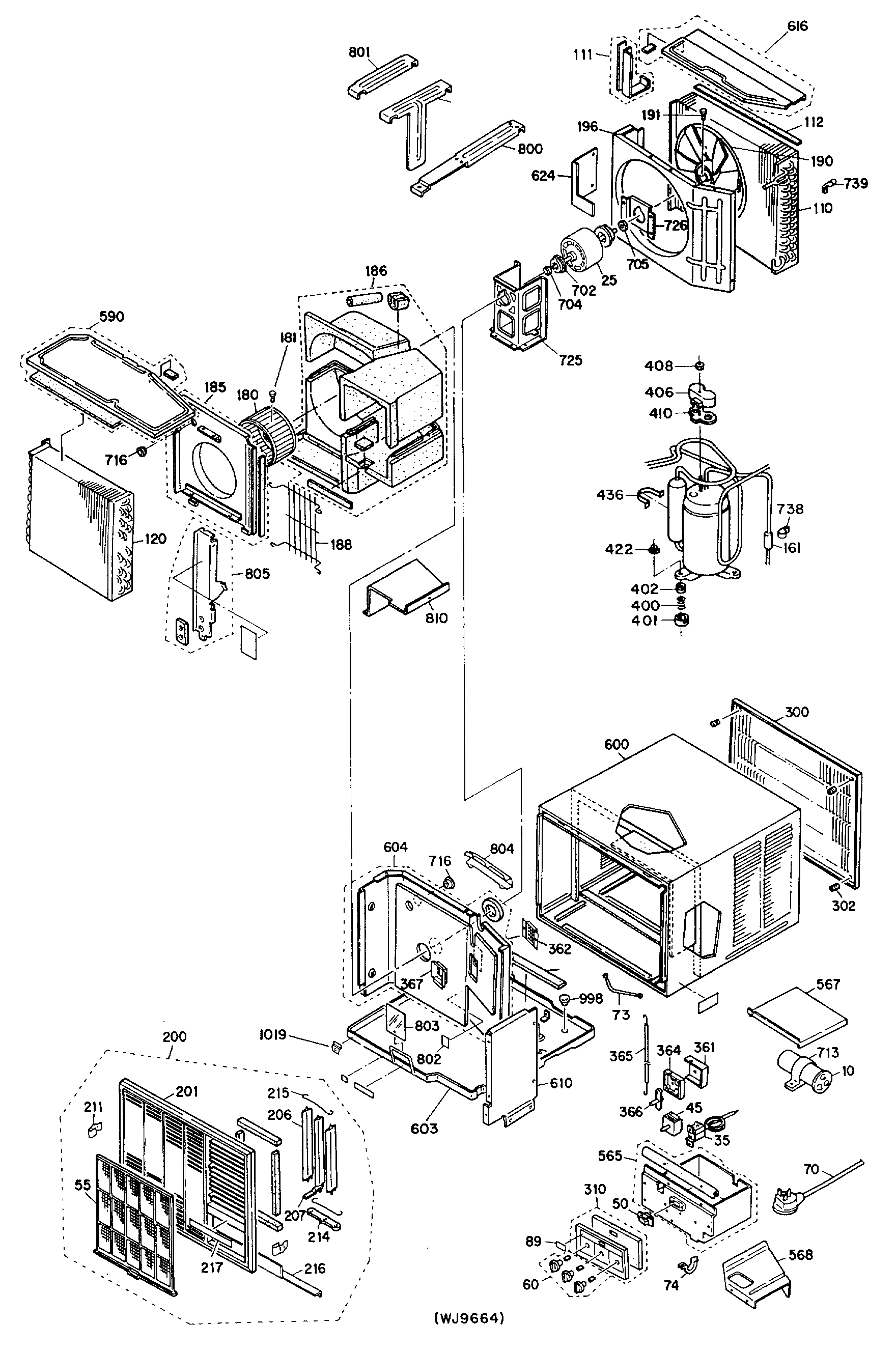
ARK18D2V1 2